View All
006 - Electrical & Distribution series I
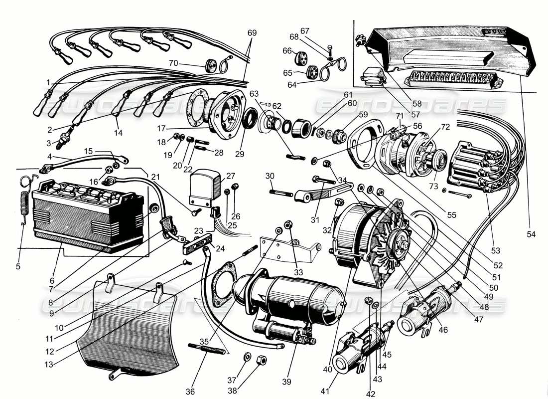
Lamborghini Espada Electrical & Distribution series I Parts Diagram
View the exploded parts diagram to find the part you are looking for
- You can reposition the diagram by dragging it
- You can zoom in and out of the diagram by scrolling, pinching, or using theandbuttons
- You can reset the diagram using thebutton
View all the part pricing and availability information on the parts table to the rightbelow
-
You can click on a hotspot
in the parts diagram to locate the part in the table
- You can use the options filter, in the filter tab, to hide parts not relevant to your search
Switch between other part diagrams using theandbuttons, or use the diagram images below
We recommend viewing this page in landscape orientation for the best experience
Part Key
ST
Part in stock
PS
Available in a part set
SS
Part supersession in stock
PS
Available in a part set to order (subject to availability)
SO
Part available to order (subject to availability)
PK
Available in a part kit
#
001
MPN:
001601567
GANCIO SUPPORTO GOMMINO
from
£46.41
from
£46.41
#
002
MPN:
001600906
DISTRIBUTOR BRACKET SEAL
from
£7.60
from
£7.60
#
003
-
SPARK PLUG
NGK
#
003
MPN:
008811403
Spark Plugs
from
£5.88
from
£5.88
#
004
MPN:
001604647
CAVO NEGATIVO BATTERIA
#
005
MPN:
001604956
MOLLA FISSAGGIO BATTERIA
#
006
MPN:
001601336
GASKET
#
007
MPN:
008611401
GOMMINO
from
£3.98
from
£3.98
#
008
MPN:
001606173
PIPETTA COPRI CAVO
from
£0.94
from
£0.94
#
009
MPN:
001604958
CAVO DALLA BATTERIA AL CAVO MOTORINO AVVIAMENTO
from
£82.95
from
£82.95
#
010
MPN:
008700801
VITE
from
£0.54
from
£0.54
#
011
MPN:
001605790
BATTER CABL
#
012
MPN:
001604957
PARATIA
from
£92.92
from
£92.92
#
013
MPN:
008300822
STUD M8X18 UNI 5911 8G Z
Supersession
Supersession
#
014
MPN:
001605393
SPARK PLUG CAP (GRUPPO MONTATO DAL MOTORE 30501)
from
£18.01
from
£18.01
#
015
MPN:
N90179103
WASHER 18X8,4X2,5
from
£1.24
from
£1.24
This part replaces part number 008400801
#
016
MPN:
008200809
M8 SELF-LOCKING NUT
Supersession
Supersession
#
017
MPN:
001600905
SUPPORT
from
£551.04
from
£551.04
#
018
MPN:
008200604
NUT
Supersession
Supersession
#
019
MPN:
008410602
LOCK WASHER
from
£33.58
from
£33.58
#
020
MPN:
008850606
GRANO DI CENTRAGGIO
from
£6.97
from
£6.97
#
021
MPN:
008100620
BOLT
from
£3.98
from
£3.98
#
022
MPN:
008300613
STUD M6X14 UNI 5911 8G/Z
from
£3.40
from
£3.40
#
023
MPN:
001602565
GOVERNOR SHEATH
from
£111.26
from
£111.26
#
024
MPN:
001606170
GIUNZIONE PER CAVI
from
£41.08
from
£41.08
#
025
MPN:
008400606
WASHER
Supersession
Supersession
#
026
MPN:
008200606
BUSH
Supersession
Supersession
#
027
MPN:
001606629
REGOLATORE DI CORRENTE BULLONE
from
£51.94
from
£51.94
#
028
MPN:
008300612
STUD
#
029
MPN:
008613502
OIL SEAL 35X47X7 MM
Supersession
Supersession
#
030
MPN:
008301004
THREADED STUD
from
£20.65
from
£20.65
#
031
MPN:
008100832
SCREW
from
£1.95
from
£1.95
#
032
MPN:
008201008
NUT
from
£1.01
from
£1.01
#
033
MPN:
008200803
NUT
from
£1.76
from
£1.76
#
034
MPN:
008200809
M8 SELF-LOCKING NUT
Supersession
Supersession
#
035
MPN:
008410806
WASHER
Supersession
Supersession
#
036
MPN:
008301215
PRIGIONIERO
from
£12.61
from
£12.61
#
037
MPN:
008411303
SNAP RING 21X13X2.5 UNI 175 1 C72/Z
from
£2.23
from
£2.23
#
038
MPN:
008201211
M12X1.75X10 'UNI 5588/ 8G/Z' NUT
from
£5.56
from
£5.56
#
039
MPN:
001604460
STARTER MOTOR
#
040
MPN:
001604748
N/A
#
041
MPN:
001601335
IGNITION COIL (BERU)
from
£204.75
from
£204.75
#
042
MPN:
008200804
NUT
from
£0.84
from
£0.84
#
043
MPN:
N90179103
WASHER 18X8,4X2,5
from
£1.24
from
£1.24
This part replaces part number 008400801
#
044
MPN:
001604745
VENTOLA PER ALTERNATORE
from
£10.10
from
£10.10
#
045
MPN:
001605394
SPARK PLUG WIRES PIPE
from
£4.23
from
£4.23
#
046
MPN:
001604482
SUPPORTO (SUPERIORE SINISTRO) PER ALTERNATORE
from
£42.14
from
£42.14
#
047
MPN:
001604743
PULEGGIA PER ALTERNATORE
#
048
MPN:
N90179103
WASHER 18X8,4X2,5
from
£1.24
from
£1.24
This part replaces part number 008400801
#
049
MPN:
WHT001514
WASHER
from
£17.62
from
£17.62
This part replaces part number 008410805
#
050
MPN:
008200810
NUT
from
£0.54
from
£0.54
#
051
MPN:
001604645
CINGHIA PER ALTERNATORE
from
£14.52
from
£14.52
#
052
MPN:
001600317
N/A
#
053
MPN:
001608471
DISTRIBUTOR CAP
from
£150.00
from
£150.00
#
054
MPN:
001605670
N/A
#
055
MPN:
001604649
SPINTEROGENO (COMPLETO)
#
056
MPN:
N90179103
WASHER 18X8,4X2,5
from
£1.24
from
£1.24
This part replaces part number 008400801
#
057
MPN:
001605819
RELAIS PER POMPA ARIA (USA)
from
£26.13
from
£26.13
#
058
MPN:
001605758
POMELLO
from
£6.64
from
£6.64
#
059
MPN:
001600377
PRESA DI FORZA SULLO SPINTEROGENO
from
£113.07
from
£113.07
#
060
MPN:
008820201
SPLIT PIN 1.8X15 UNI 1336A
from
£4.48
from
£4.48
#
061
MPN:
001600376
CANOTTO PRESA DI FORZA
from
£319.05
from
£319.05
#
062
MPN:
008573202
O-RING I 30 UNI 3654
from
£3.82
from
£3.82
#
063
MPN:
008300818
STUD M8X30 UNI 5911 8G ZD
from
£3.34
from
£3.34
#
064
MPN:
001605241
N/A
#
065
MPN:
001601566
2 HOLE SPARK PLUG GROMMET
from
£49.32
from
£49.32
#
066
MPN:
001601565
4 HOLE SPARK PLUG GROMMET
from
£41.63
from
£41.63
#
067
MPN:
008100620
BOLT
from
£3.98
from
£3.98
#
068
MPN:
008410603
LOCK WASHER
Supersession
Supersession
#
069
MPN:
LHT001
HT LEADS SET
(valid for single distributor)
from
£425.00
from
£425.00
This part replaces part number 001608382
#
070
MPN:
001601564
6 HOLE SPARK PLUG GROMMET
from
£30.94
from
£30.94
#
072
MPN:
95300083
POINTS
Pair
from
£33.05
from
£33.05
#
073
MPN:
001608470
ROTOR ARM
from
£308.11
from
£308.11