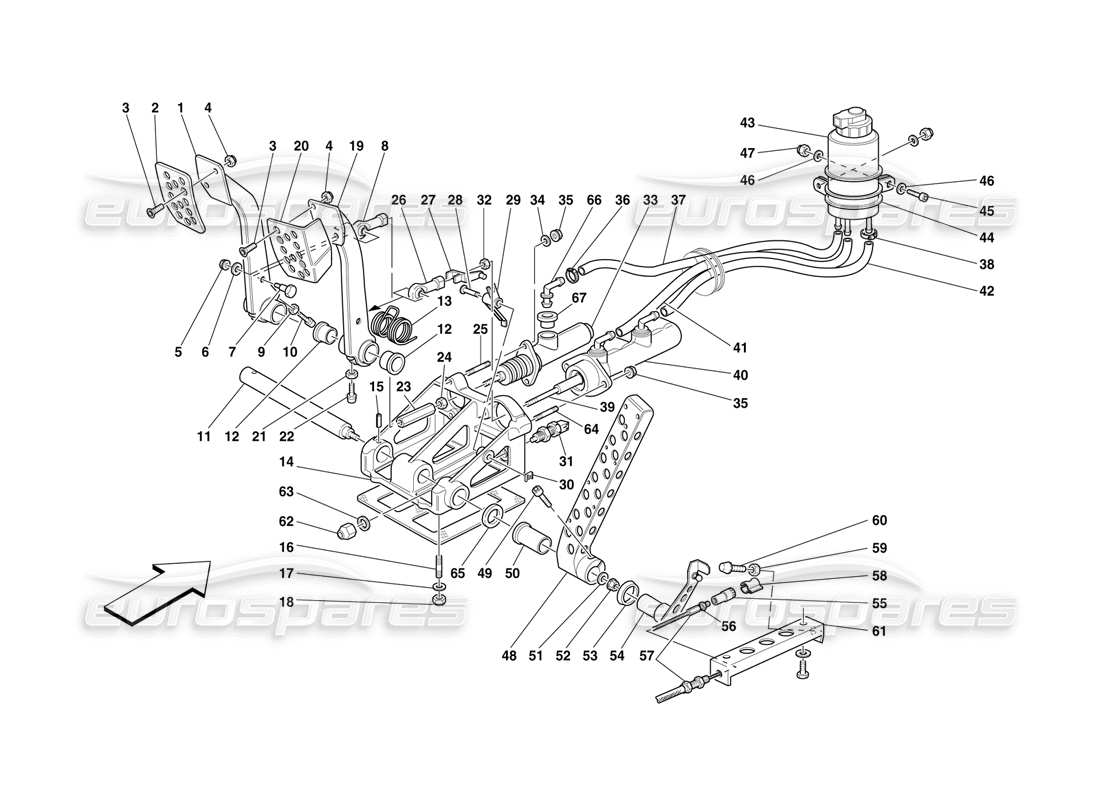
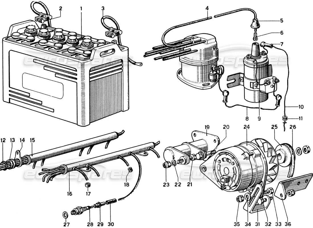
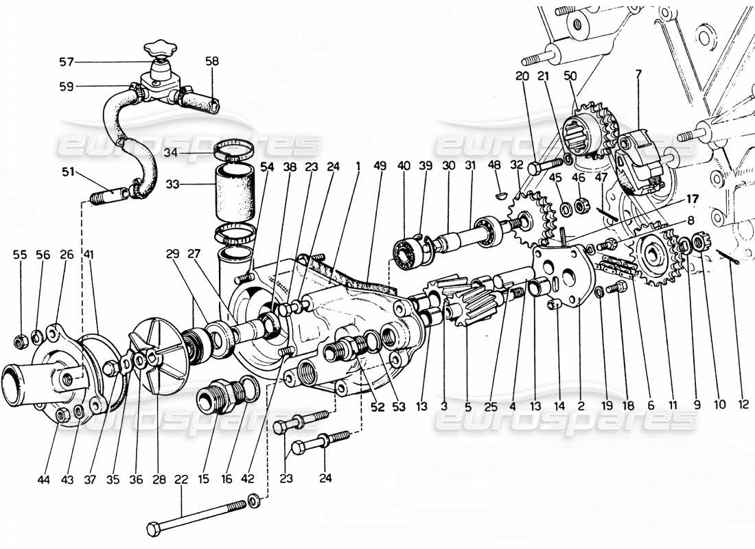
Ferrari Parts
Explore the largest range of Ferrari parts online at Eurospares. We supply new and used Ferrari parts, providing an unrivalled selection of genuine, OEM, and aftermarket spares. Select your model to view our the part catalogues and detailed part diagrams. You can also browse our parts showcase.
Read More >>
Our founders, passionate Ferrari owners, ensure we have parts for every model. From classic GTs like the 206, 246, and 308, to the latest supercars like the 296 GTB, 812 GTS, SF90, and 12 Cilindri, we have it all. Enjoy fast worldwide delivery and competitive pricing on all parts for all models.
Use the search feature or contact us for personalised advice. We have a huge selection of Ferrari parts in-stock, including accessories, brakes, exhausts, service items, wheels, and more.














































