View All
029.6 - Safety Belts (United Kingdom)
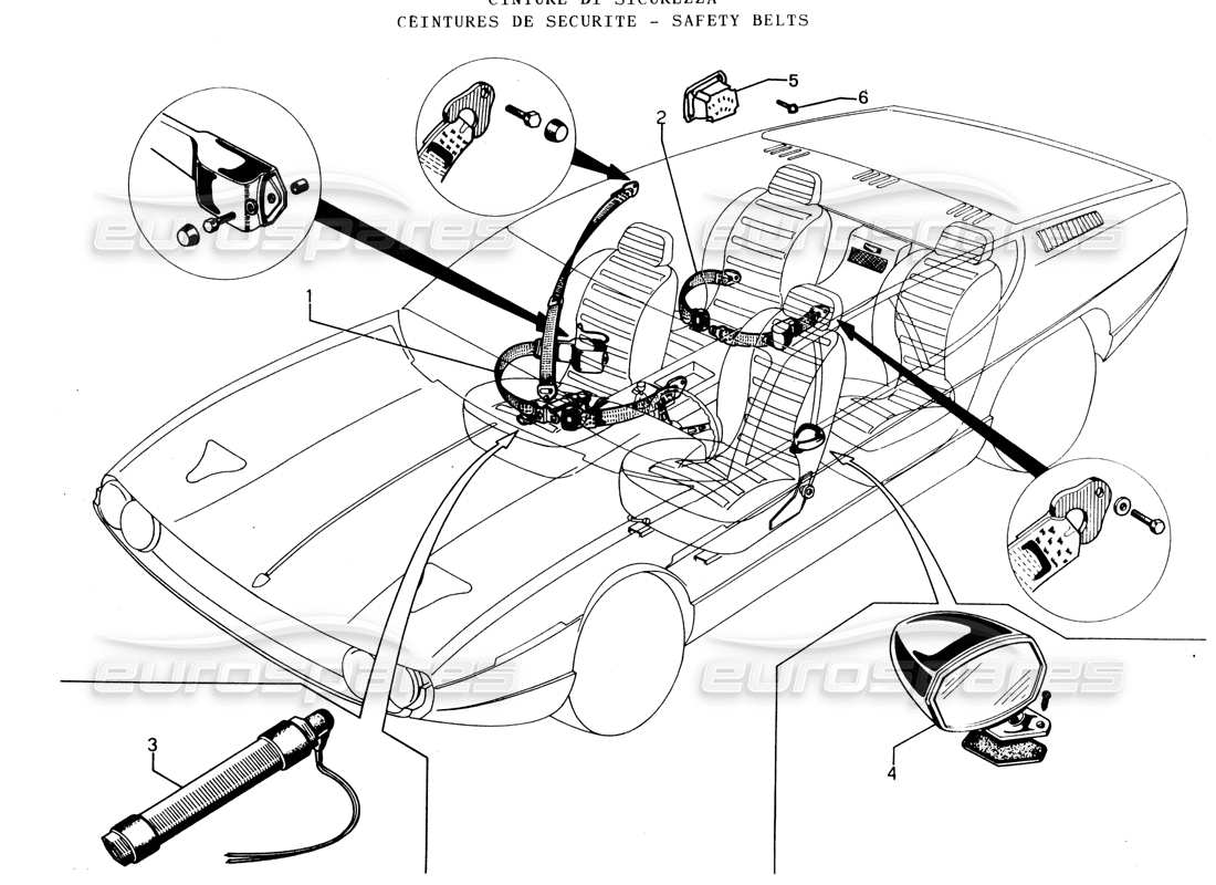
Lamborghini Espada Safety Belts (United Kingdom) Parts Diagram
View the exploded parts diagram to find the part you are looking for
- You can reposition the diagram by dragging it
- You can zoom in and out of the diagram by scrolling, pinching, or using theandbuttons
- You can reset the diagram using thebutton
View all the part pricing and availability information on the parts table to the rightbelow
-
You can click on a hotspot
in the parts diagram to locate the part in the table
- You can use the options filter, in the filter tab, to hide parts not relevant to your search
Switch between other part diagrams using theandbuttons, or use the diagram images below
We recommend viewing this page in landscape orientation for the best experience
Part Key
ST
Part in stock
PS
Available in a part set
SS
Part supersession in stock
PS
Available in a part set to order (subject to availability)
SO
Part available to order (subject to availability)
PK
Available in a part kit
#
000
MPN:
006109009
ARROTOLATORE (INGHILTERRA)
#
000
MPN:
006109010
RAMO LATERALS (INGHILTERRA)
#
000
MPN:
006111683
CINTURA ANT. S (INGHILTERRA)
#
000
MPN:
006112011
RAMO ATTACCO TUNNEL (INGHILTERRA)
#
000
MPN:
006112013
A RROTOLATORE ANT. S (INGHILTERRA)
#
000
MPN:
006112014
ARROTOLATORE ANT.D (INGHILTERRA)
#
001
MPN:
006110482
CINTURA ANT. D (INGHILTERRA)
#
001
MPN:
006611025
CINTURA DI SICUREZZA ANT. (COMPLETA) A 3 PUNTE (INGHILTERRA)
#
002
MPN:
006109008
CINTURA DI SICUREZZA POST.(COMPLETA) A 2 PUNTE (INGHILTERRA)
#
002
MPN:
006109008
CINTURA POST (INGHILTERRA)
#
003
MPN:
006109002
SEGNALATORE (INGHILTERRA)
#
004
MPN:
006790041
SPECCHIO RETROVISORE ESTERNO (COMPLETO) (INGHILTERRA)
from
£49.32
from
£49.32
#
005
MPN:
004308368
SUONERIA (INGHILTERRA)
from
£17.75
from
£17.75
#
006
MPN:
008700306
VITA (INGHILTERRA)
from
£1.90
from
£1.90