ferrari 330 gtc coupe generator and battery parts diagram

014 - Generator and Battery

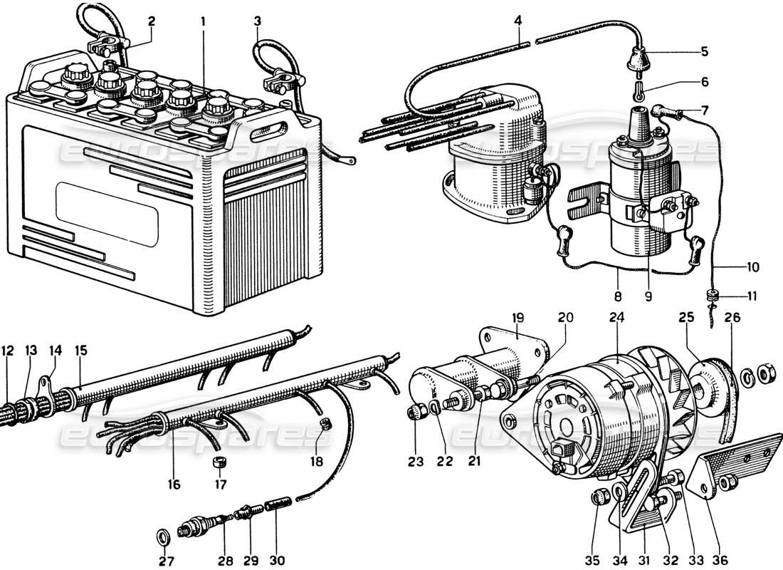
Ferrari 330 GTC Coupe Generator and Battery Parts Diagram

View the exploded parts diagram to find the part you are looking for
  • You can reposition the diagram by dragging it
  • You can zoom in and out of the diagram by scrolling, pinching, or using theandbuttons
  • You can reset the diagram using thebutton
View all the part pricing and availability information on the parts table to the rightbelow
  • You can click on a hotspot in the parts diagram to locate the part in the table
  • You can use the options filter, in the filter tab, to hide parts not relevant to your search
Switch between other part diagrams using theandbuttons, or use the diagram images below
We recommend viewing this page in landscape orientation for the best experience
Part Key
ST
Part in stock
PS
Available in a part set
SS
Part supersession in stock
PS
Available in a part set to order (subject to availability)
SO
Part available to order (subject to availability)
PK
Available in a part kit
                                                                      #
                                                                      Part number
                                                                      Description
                                                                      Price
                                                                      # 000
                                                                      MPN: 18243695
                                                                      INNER WIRE ISOLATOR
                                                                      SQUARE
                                                                      from £7.30
                                                                      from £7.30
                                                                      # 000
                                                                      MPN: 18243696
                                                                      OUTER WIRE ISOLATOR
                                                                      CIRCLE
                                                                      from £7.30
                                                                      from £7.30
                                                                      # 000
                                                                      MPN: FHT003
                                                                      COMPLETE HT LEADS SET
                                                                      Cavis set - Black
                                                                      from £334.80
                                                                      from £334.80
                                                                      # 001
                                                                      -
                                                                      BATTERY 75 AH
                                                                      # 002
                                                                      MPN: 400048
                                                                      CAVO POSITIVO BATTERIA
                                                                      This part replaces part number 80990
                                                                      # 003
                                                                      MPN: 115660
                                                                      CAVO MASSA
                                                                      Supersession
                                                                      Supersession
                                                                      This part replaces part number 107328
                                                                      # 004
                                                                      -
                                                                      IGNITION CABLE
                                                                      # 005
                                                                      MPN: 28918
                                                                      CAPPUCCIO
                                                                      Supersession
                                                                      Supersession
                                                                      # 006
                                                                      -
                                                                      CABLE CLIP
                                                                      # 007
                                                                      MPN: 10405385
                                                                      COPRIMORSETTO
                                                                      from £2.74
                                                                      from £2.74
                                                                      This part replaces part number 100285 - and 2 more. Click to view details
                                                                      # 008
                                                                      -
                                                                      CURRENT CABLE 12 V.
                                                                      # 010
                                                                      -
                                                                      CURRENT INPUT CABLE
                                                                      # 011
                                                                      MPN: 400085
                                                                      CABLE GROMMET
                                                                      # 013
                                                                      MPN: 10396580
                                                                      RING
                                                                      from £1.18
                                                                      from £1.18
                                                                      This part replaces part number 100286
                                                                      # 014
                                                                      MPN: 29061
                                                                      PLATE
                                                                      from £0.74
                                                                      from £0.74
                                                                      # 015
                                                                      MPN: 29097/S
                                                                      WIRE HOLDER TUBE
                                                                      # 016
                                                                      MPN: 29097/D
                                                                      WIRE HOLDER TUBE
                                                                      # 016
                                                                      MPN: 29183
                                                                      COMPLETE THREAD HOLDER ASSEMBLY
                                                                      # 017
                                                                      MPN: 28580
                                                                      SPACER
                                                                      from £1.02
                                                                      from £1.02
                                                                      # 018
                                                                      MPN: 28905
                                                                      PROTECTION RING
                                                                      from £3.19
                                                                      from £3.19
                                                                      # 019
                                                                      MPN: 30886
                                                                      GENERATOR SUPPORT ASSEMBLY
                                                                      from £114.17
                                                                      from £114.17
                                                                      # 020
                                                                      MPN: 8x40 UNI 5738
                                                                      BOLT
                                                                      # 021
                                                                      MPN: 8x43 UNI 186
                                                                      BOLT
                                                                      # 023
                                                                      MPN: 101240
                                                                      NUT
                                                                      from £1.35
                                                                      from £1.35
                                                                      # 024
                                                                      MPN: 105406/RB
                                                                      GENERATORE MARELLI COMPLETO DI VENTOLA
                                                                      EXCHANGE REQUIRED (£1550.00 SURCHARGE)
                                                                      from £1,748.52
                                                                      from £1,748.52
                                                                      This part replaces part number MC2142/1
                                                                      # 024
                                                                      MPN: 543-829-18
                                                                      TRANSISTOR REGULATOR
                                                                      # 025
                                                                      MPN: 30873
                                                                      GENERATOR CONTROL PULLEY
                                                                      from £84.48
                                                                      from £84.48
                                                                      # 026
                                                                      MPN: 95840052
                                                                      CINGHIA (SVILUPPO 754)
                                                                      from £31.94
                                                                      from £31.94
                                                                      This part replaces part number 60645
                                                                      # 027
                                                                      MPN: 28889
                                                                      GASKET OR SEAL
                                                                      # 028
                                                                      MPN: 100604
                                                                      SPARK PLUG
                                                                      (champion)
                                                                      from £5.36
                                                                      from £5.36
                                                                      # 029
                                                                      MPN: 28906
                                                                      PLUG FOR SPARK PLUG
                                                                      from £13.16
                                                                      from £13.16
                                                                      # 030
                                                                      MPN: 94787
                                                                      TUBO GOMMA
                                                                      from £1.80
                                                                      from £1.80
                                                                      # 031
                                                                      MPN: 30857
                                                                      BRACKET / SUPPORT
                                                                      # 032
                                                                      MPN: 8x22 UNI 188
                                                                      BOLT
                                                                      # 033
                                                                      MPN: 8x30 UNI 186
                                                                      BOLT
                                                                      # 034
                                                                      MPN: 127496
                                                                      WASHER
                                                                      from £0.54
                                                                      from £0.54
                                                                      This part replaces part number 10516671 - and 3 more. Click to view details
                                                                      # 035
                                                                      MPN: 101240
                                                                      NUT
                                                                      from £1.35
                                                                      from £1.35
                                                                      # 036
                                                                      MPN: FRA/7
                                                                      CAVO PER CANDELE - MT. 12