Approved Part
EUROSPARES OUTER WIRE ISOLATOR

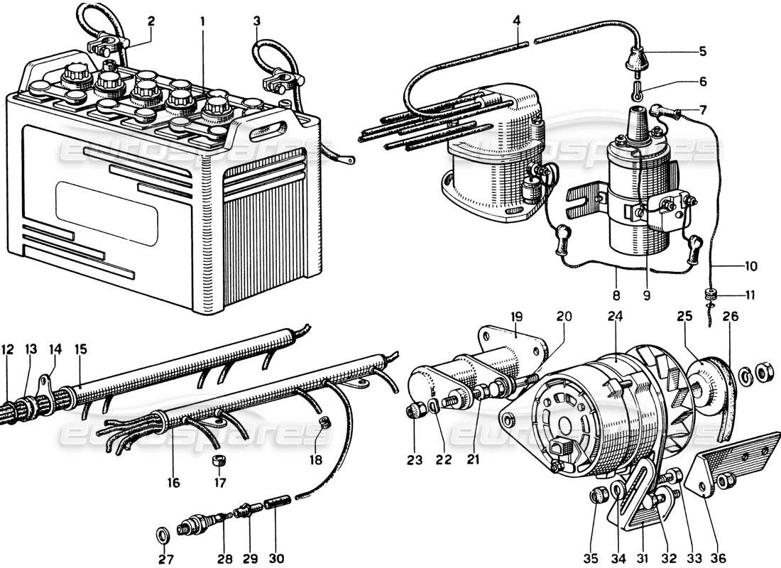
View Diagrams ![]() |
- Order within the next 4 hours, 31 minutes, 37 seconds for despatch on the next working day
- Eurospares Approved Part
Part number 18243696 was found in the following part catalogues:
If you've found this part cheaper elsewhere and would like us to try and match the price then please tell us about it using this form.
To request photos of a part you need to be logged in to the website. Click here to log in or register.
If you want to know more information about this part so that you are sure it's the correct one please use this form and ask what you want to know.
PART DESCRIPTION
Eurospares APPROVED PART, OUTER WIRE ISOLATOR, PART NUMBER: 18243696
Part number 18243696 features on some of the part catalogue diagrams of these model families: Ferrari 275, Ferrari 330 and Ferrari 365
Currently available as: Eurospares Approved Part New (in stock), Genuine Ferrari Part New (to order)
