Lamborghini
Lamborghini Murcielago Spring pin
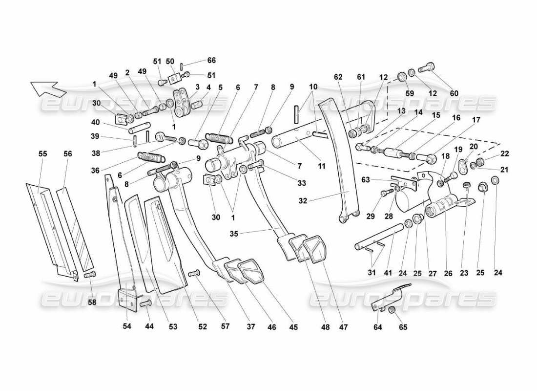
View this part in the diagram below ( #039 )

- Genuine Lamborghini
There are no alternative part suggestions for this part at this moment in time.
Part number N133481 was found in the following part catalogues:
If you've found this part cheaper elsewhere and would like us to try and match the price then please tell us about it using this form.
We can only take photos of items we currently have in stock. Unfortunately we don't have any of this item in stock so we cannot provide you with a photograph of it.
If you want to know more information about this part so that you are sure it's the correct one please use this form and ask what you want to know.
PART DESCRIPTION
Genuine LAMBORGHINI, SPRING PIN, PART NUMBER: N133481
Part Also Known As:
- PIN (MANUAL GEARBOX)
Part number N133481 features on some of the part catalogue diagrams of these model families: Lamborghini Murcielago
Currently available as: Genuine Lamborghini New (to order)