Equipment
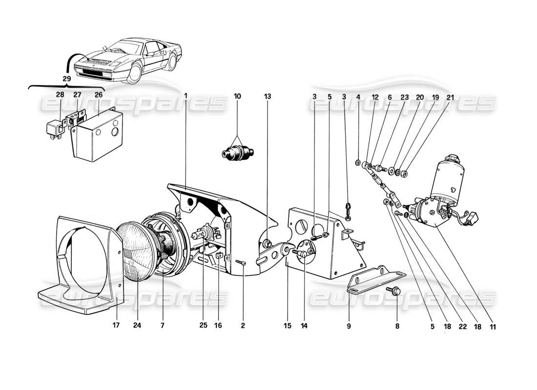
OE HEAD LAMP UNIT RHD
-part-diagram-128.webp)
View Diagrams ![]() |
- Delivery Estimate: £8.89 to 94102, United KingdomOrder within the next 5 hours, 7 minutes, 16 seconds for despatch on the next working day
- Original Equipment
Part number 60865100 was found in the following part catalogues:
If you've found this part cheaper elsewhere and would like us to try and match the price then please tell us about it using this form.
To request photos of a part you need to be logged in to the website. Click here to log in or register.
If you want to know more information about this part so that you are sure it's the correct one please use this form and ask what you want to know.
PART DESCRIPTION
Original EQUIPMENT, HEAD LAMP UNIT RHD, PART NUMBER: 60865100
Part number 60865100 features on some of the part catalogue diagrams of these model families: Ferrari 308 and Ferrari 328
Currently available as: Original Equipment New (in stock), Genuine Ferrari Part Used (in stock), Genuine Ferrari Part Used (in stock), Genuine Ferrari Part Used (in stock), Genuine Ferrari Part New (in stock)



