Approved Part
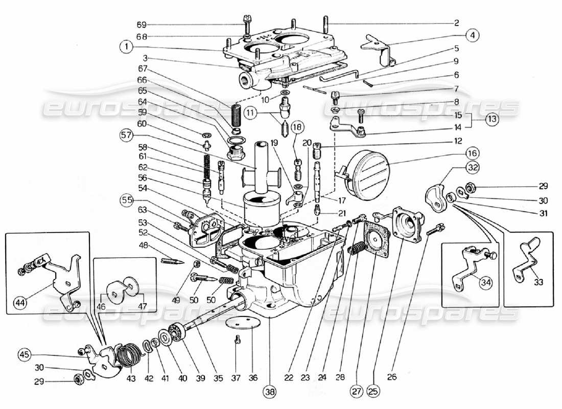
EUROSPARES CARBURETTOR REPAIR KIT 34 DCNF
-part-diagram-011.webp)
View Diagrams ![]() |
- Eurospares Approved Part
Part number 31716.220 was found in the following part catalogues:
If you've found this part cheaper elsewhere and would like us to try and match the price then please tell us about it using this form.
We can only take photos of items we currently have in stock. Unfortunately we don't have any of this item in stock so we cannot provide you with a photograph of it.
It may be worth checking out the Other Options tab to see if there are any photos of the part there.
If you want to know more information about this part so that you are sure it's the correct one please use this form and ask what you want to know.
PART DESCRIPTION
Eurospares APPROVED PART, CARBURETTOR REPAIR KIT 34 DCNF, PART NUMBER: 31716.220
Part number 31716.220 features on some of the part catalogue diagrams of these model families: Ferrari 208 and Ferrari 308
Currently available as: Eurospares Approved Part New (to order), Genuine Ferrari Part New (to order)
