Maserati QTP. V8 3.8 530bhp 2014 Auto Part Diagrams
Ensure the safety and performance of your Maserati QTP. V8 3.8 530bhp 2014 Auto with genuine spare parts. Find them using our parts diagrams!
001
CRANKCASE

002
CRANK MECHANISM

003
AUXILIARY DEVICE BELTS

004
RH CYLINDER HEAD

005
LH CYLINDER HEAD

006
RH CYLINDER HEAD CAMSHAFTS

007
LH CYLINDER HEAD CAMSHAFTS

008
TIMING

009
VALVES

010
TURBOCHARGING SYSTEM: EQUIPMENTS

011
TURBOCHARGING SYSTEM: LUBRICATION AND COOLING

012
INTERCOOLER SYSTEM

013
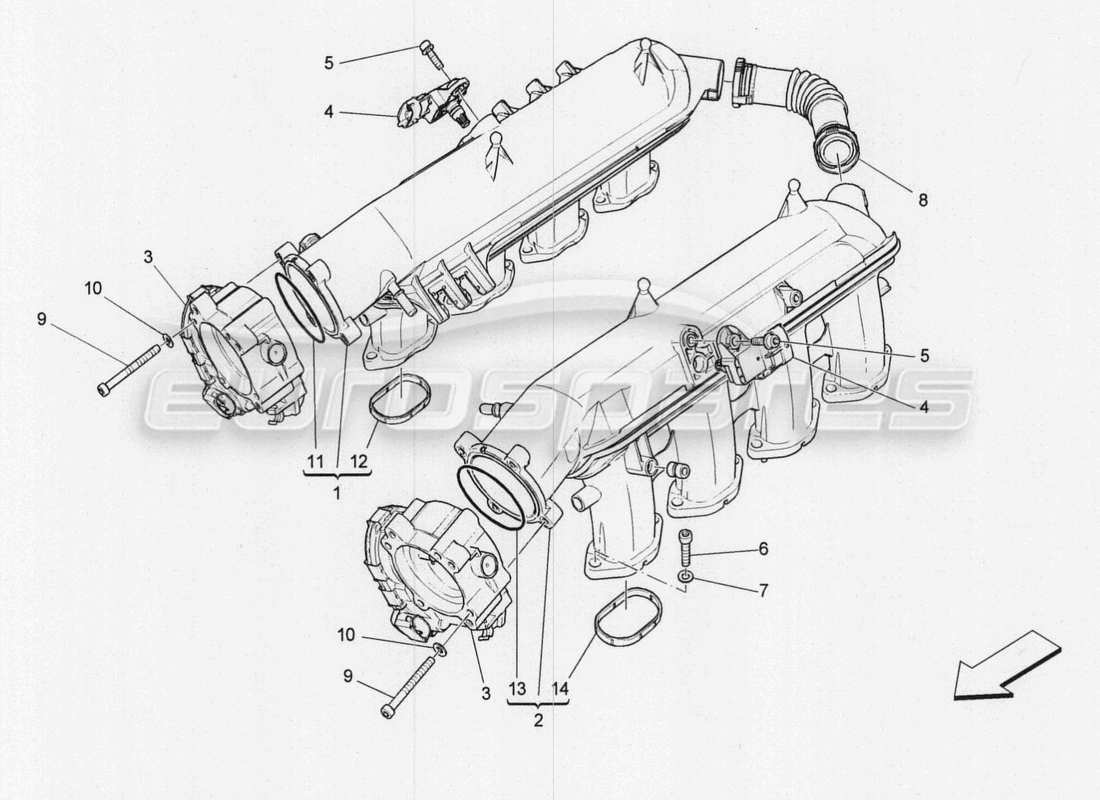
INTAKE MANIFOLD AND THROTTLE BODY

014
AIR FILTER, AIR INTAKE AND DUCTS

015
FUEL TANK

016
FUEL PUMPS AND CONNECTION LINES

017
FUEL PUMPS AND CONNECTION LINES

018
FUEL VAPOUR RECIRCULATION SYSTEM

019
ADDITIONAL AIR SYSTEM

020
ADDITIONAL AIR SYSTEM

021
ADDITIONAL AIR SYSTEM

022
LUBRICATION SYSTEM: CIRCUIT AND COLLECTION

023
LUBRICATION SYSTEM: PUMP AND FILTER

024
HEAT EXCHANGER

025
OIL VAPOUR RECIRCULATION SYSTEM

026
COOLING: AIR RADIATORS AND DUCTS

027
COOLING: NOURICE AND LINES

028
COOLING: NOURICE AND LINES

029
COOLING: NOURICE AND LINES

030
COOLING: WATER PUMP

031
PRE-CATALYTIC CONVERTERS AND CATALYTIC CONVERTERS

032
SILENCERS

033
ELECTRONIC CONTROL: INJECTION AND ENGINE TIMING CONTROL

034
ELECTRONIC CONTROL: ENGINE IGNITION

035
DRIVER CONTROLS FOR AUTOMATIC GEARBOX

036
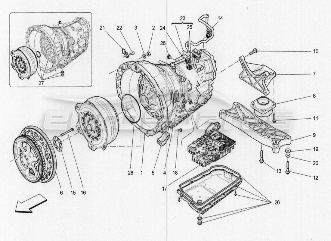
GEARBOX HOUSINGS

037
GEARBOX HOUSINGS

038
DIFFERENTIAL AND REAR AXLE SHAFTS

039
TRANMISSION SHAFT

040
LUBRICATION AND GEARBOX OIL COOLING

041
BRAKE SERVO SYSTEM

042
BRAKING DEVICES ON FRONT WHEELS

043
BRAKING DEVICES ON REAR WHEELS

044
LINES

045
PARKING BRAKE

046
BRAKING CONTROL SYSTEMS

047
STEERING COLUMN AND STEERING WHEEL UNIT

048
STEERING RACK AND HYDRAULIC STEERING PUMP

049
COMPLETE PEDAL BOARD UNIT

050
WHEELS AND TYRES

051
FRONT SUSPENSION

052
FRONT SHOCK ABSORBER DEVICES

053
FRONT UNDERCHASSIS

054
REAR SUSPENSION

055
REAR SUSPENSION

056
REAR SHOCK ABSORBER DEVICES

057
REAR CHASSIS

058
ELECTRONIC CONTROL (SUSPENSION)

059
FRONT AIRBAG SYSTEM

060
FRONT SIDE BAG SYSTEM

061
WINDOW BAG SYSTEM

062
CRASH SENSORS

063
FRONT SEATBELTS

064
REAR SEATBELTS

065
TYRE PRESSURE MONITORING SYSTEM

066
ACCESSORIES PROVIDED

067
ACCESSORIES PROVIDED

068
AFTER MARKET ACCESSORIES

069
AFTER MARKET ACCESSORIES

070
EXTERNAL VEHICLE DEVICES

071
INTERNAL VEHICLE DEVICES

072
ENERGY GENERATION AND ACCUMULATION

073
HEADLIGHT CLUSTERS

074
TAILIGHT CLUSTERS

075
LIGHTING SYSTEM CONTROL

076
A C UNIT: ENGINE COMPARTMENT DEVICES

077
A C UNIT: ENGINE COMPARTMENT DEVICES

078
A C UNIT: DASHBOARD DEVICES

079
A C UNIT: DIFFUSION

080
A C UNIT: TUNNEL DEVICES

081
A C UNIT: ELECTRONIC CONTROL

082
A C UNIT: ELECTRONIC CONTROL

083
DASHBOARD DEVICES

084
CENTRE CONSOLE DEVICES

085
CENTRE CONSOLE DEVICES

086
DOOR DEVICES

087
ALARM AND IMMOBILIZER SYSTEM

088
MAIN WIRING

089
MAIN WIRING

090
MAIN WIRING

091
RELAYS, FUSES AND BOXES

092
CONNECTORS

093
SOUND DIFFUSION SYSTEM

094
SOUND DIFFUSION SYSTEM

095
IT SYSTEM

096
IT SYSTEM

098
BODYWORK AND FRONT OUTER TRIM PANELS

099
BODYWORK AND CENTRAL OUTER TRIM PANELS

100
BODYWORK AND REAR OUTER TRIM PANELS

101
FRONT STRUCTURAL FRAMES AND SHEET PANELS

102
CENTRAL STRUCTURAL FRAMES AND SHEET PANELS

103
REAR STRUCTURAL FRAMES AND SHEET PANELS

104
FRONT BUMPER

105
REAR BUMPER

106
PARKING SENSORS

107
WHEELHOUSE AND LIDS

108
UNDERBODY AND UNDERFLOOR GUARDS

109
SHIELDS, TRIMS AND COVERING PANELS

110
TRIMS, BRANDS AND SYMBOLS

111
STICKERS AND LABELS

112
STICKERS AND LABELS

113
FRONT LID

114
REAR LID

115
REAR LID

116
FUEL TANK DOOR AND CONTROLS

117
FRONT LID OPENING BUTTON

118
REAR LID OPENING CONTROL

119
REAR LID OPENING CONTROL

120
FRONT DOORS: TRIM PANELS

121
FRONT DOORS: MECHANISMS

122
REAR DOORS: TRIM PANELS

123
REAR DOORS: MECHANISMS

124
WINDOWS AND WINDOW STRIPS

125
INTERNAL AND EXTERNAL REAR-VIEW MIRRORS

126
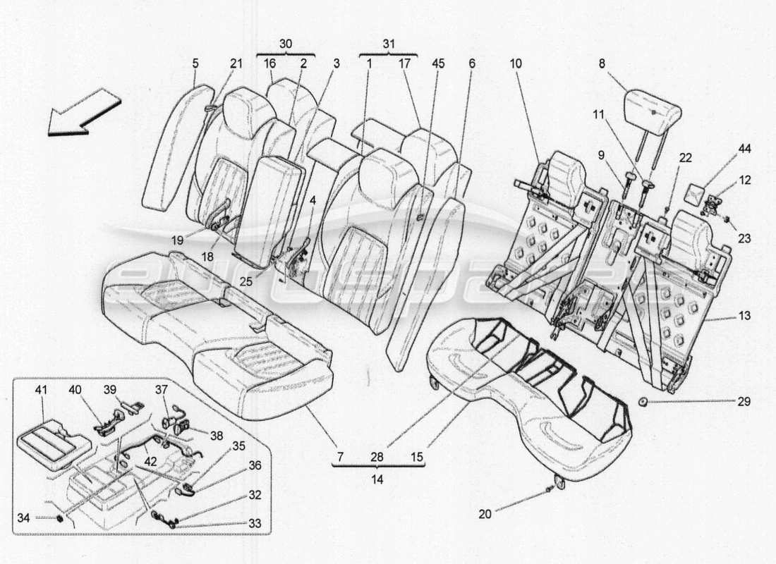
FRONT SEATS: TRIM PANELS

127
FRONT SEATS: TRIM PANELS

128
FRONT SEATS: TRIM PANELS

129
FRONT SEATS: MECHANICS AND ELECTRONICS

130
FRONT SEATS: MECHANICS AND ELECTRONICS

131
REAR SEATS: TRIM PANELS

132
REAR SEATS: TRIM PANELS

133
REAR SEATS: MECHANICS AND ELECTRONICS

134
REAR SEATS: MECHANICS AND ELECTRONICS

135
PASSENGER COMPARTMENT B PILLAR TRIM PANELS AND SIDE PANELS

136
ROOF AND SUN VISORS

137
REAR PARCEL SHELF

138
REAR PARCEL SHELF

139
REAR PARCEL SHELF

140
DASHBOARD UNIT

141
ACCESSORY CONSOLE AND CENTRE CONSOLE

142
GLOVE COMPARTMENTS

143
ACCESSORY CONSOLE AND REAR CONSOLE

144
PASSENGER COMPARTMENT MATS

145
LUGGAGE COMPARTMENT MATS

146
SOUND-PROOFING PANELS INSIDE VEHICLE

147
SOUND-PROOFING PANELS INSIDE VEHICLE

148
THERMAL INSULATING PANELS

149