Maserati QTP. V6 3.0 BT 410bhp 2015 Part Diagrams
Find all necessary parts for your Maserati QTP. V6 3.0 BT 410bhp 2015 by selecting the relevant parts diagram.
001
CRANKCASE

002
CRANK MECHANISM

003
AUXILIARY DEVICE BELTS

004
RH CYLINDER HEAD

005
LH CYLINDER HEAD

006
RH CYLINDER HEAD SHAFTS

007
LH CYLINDER HEAD SHAFTS

008
TIMING

009
VALVES

010
TURBOCHARGING SYSTEM

011
TURBOCHARGING SYSTEM

012
INTERCOOLING SYSTEM

013
INTAKE MANIFOLD AND THROTTLE BODY

014
AIR FILTER, INTAKE AND DUCTS

015
FUEL TANK

016
FUEL PUMPS AND CONNECTION LINES

017
FUEL PUMPS AND CONNECTION LINES

018
FUEL RECIRCULATION SYSTEM

019
ADDITIONAL AIR SYSTEM

020
ADDITIONAL AIR SYSTEM

021
ADDITIONAL AIR SYSTEM

022
LUBRICATION SYSTEM

023
LUBRICATION SYSTEM

024
HEAT EXCHANGER

025
OIL VAPOUR RECIRCULATION SYSTEM

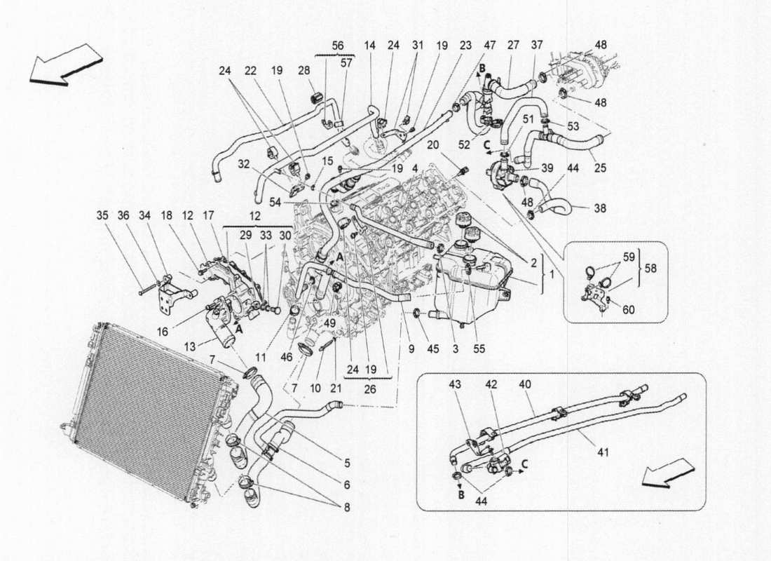
026
COOLING SYSTEM

027
COOLING SYSTEM

028
COOLING SYSTEM

029
COOLING SYSTEM- WATER PUMPS

030
PRE-CATALYTIC CONVERTERS AND CATALYTIC CONVERTERS

031
SILENCERS

032
ELECTRONIC CONTROL

033
MOTOR

034
DRIVER CONTROLS FOR AUTOMATIC GEARBOX

035
GEARBOX HOUSING

036
GEARBOX HOUSING

037
DIFFERENTIAL AND REAR AXLE SHAFTS

038
TRANSMISSION SHAFT

039
LUBRICATION AND GEARBOX OIL COOLING

040
BRAKE SERVO SYSTEM

041
BRAKING DEVICES ON FRONT WHEELS

042
BRAKING DEVICES ON FRONT WHEELS

043
BRAKING DEVICES ON FRONT WHEELS

044
BRAKING DEVICES ON REAR WHEELS

045
BRAKING DEVICES ON REAR WHEELS

046
BRAKING DEVICES ON REAR WHEELS

047
LINES

048
PARKING BRAKE

049
BRAKING CONTROL SYSTEMS

050
STEERING COLUMN AND WHEEL UNIT

051
STEERING RACK

052
PEDALS

053
WHEELS AND TYRES

054
FRONT SUSPENSION

055
FRONT SHOCK ABSORBERS

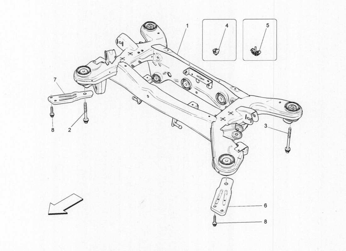
056
FRONT SUB FRAME

057
REAR SUSPENSION

058
REAR SUSPENSION

059
REAR SHOCK ABSORBERS

060
REAR CHASSIS

061
ELECTRONIC CONTROL (SUSPENSION)

062
FRONT AIRBAG SYSTEM

063
FRONT SIDE BAG SYSTEM

064
WINDOW BAG SYSTEM

065
CRASH SENSORS

066
FRONT SEAT BELTS

067
REAR SEAT BELTS

068
TYRE PRESSURE MONITORING SYSTEM

069
ACCESSORIES PROVIDED

070
ACCESSORIES PROVIDED

071
DOCUMENTS

072
EXTERNAL VEHICLE DEVICES

073
INTERNAL VEHICLE DEVICES

074
ENERGY GENERATION AND ACCUMULATION

075
HEADLIGHT CLUSTERS

076
TAILLIGHT CLUSTERS

077
LIGHTING CONTROL SYSTEM

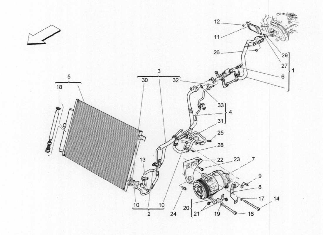
078
A C UNIT: ENGINE COMPARTMENT DEVICES

079
A C UNIT: ENGINE COMPARTMENT DEVICES

080
A C UNIT: DASHBOARD DEVICES

081
A C UNIT: DIFFUSION

082
A C UNIT: TUNNEL DEVICES

083
A C UNIT: ELECTRONIC CONTROL

084
A C UNIT: ELECTRONIC CONTROL

085
DASHBOARD DEVICES

086
CENTRE CONSOLE DEVICES

087
CENTRE CONSOLE DEVICES

088
DOOR DEVICES

089
ALARM AND IMMOBILIZER SYSTEM

090
ALARM AND IMMOBILIZER SYSTEM

091
MAIN WIRING

092
MAIN WIRING

093
MAIN WIRING

094
RELAYS, FUSES AND BOXES

095
CONNECTORS

096
SOUND SYSTEM

097
SOUND SYSTEM

098
IT SYSTEM

099
IT SYSTEM

100
RECEPTION AND CONNECTION

101
BODYWORK AND FRONT OUTER TRIM PANELS

102
BODYWORK AND CENTRAL OUTER TRIM PANELS

103
BODYWORK AND REAR OUTER TRIM PANELS

104
FRONT STRUCTURAL FRAMES AND SHEET PANELS

105
CENTRAL STRUCTURAL FRAMES AND SHEET PANELS

106
REAR STRUCTURAL FRAMES AND SHEET PANELS

107
FRONT BUMPER

108
REAR BUMPER

109
PARKING SENSORS

110
WHEEL HOUSING

111
UNDERBODY AND UNDERFLOOR GUARDS

112
SHIELDS, TRIMS AND COVERING PANELS

113
TRIMS, BRANDS AND SYMBOLS

114
STICKERS AND LABELS

115
STICKERS AND LABELS

116
FRONT LID

117
REAR LID

118
REAR LID

119
FUEL TANK DOOR AND CONTROLS

120
FRONT LID OPENING CONTROL

121
REAR LID OPENING CONTROL

122
REAR LID OPENING CONTROL

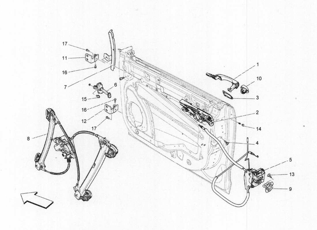
123
FRONT DOORS: TRIM PANELS

124
FRONT DOORS: MECHANISMS

125
REAR DOORS: TRIM PANELS

126
REAR DOORS: MECHANISMS

127
WINDOWS AND WINDOW STRIPS

128
INTERNAL AND EXTERNAL MIRRORS

129
FRONT SEATS

130
FRONT SEATS

131
FRONT SEAT ELECTRONICS

132
FRONT SEAT ELECTRONICS

133
REAR SEATS

134
REAR SEATS

135
REAR SEAT ELECTRONICS

136
REAR SEAT ELECTRONICS

137
PASSENGER COMPARTMENT PILLAR TRIM AND SIDE PANELS

138
ROOF AND SUN VISORS

139
REAR PARCEL SHELF

140
REAR PARCEL SHELF

141
REAR PARCEL SHELF

142
DASHBOARD UNIT

143
CENTRE CONSOLE

144
DASHBOARD GLOVEBOX

145
GLOVE COMPARTMENTS

146
PASSENGER COMPARTMENT MATS

147
LUGGAGE COMPARTMENT MATS

148
SOUND-PROOFING PANELS INSIDE

149
THERAML INSULATION

150
THERMAL INSULATION

151