Granted by MASERATI
Copyright MASERATI
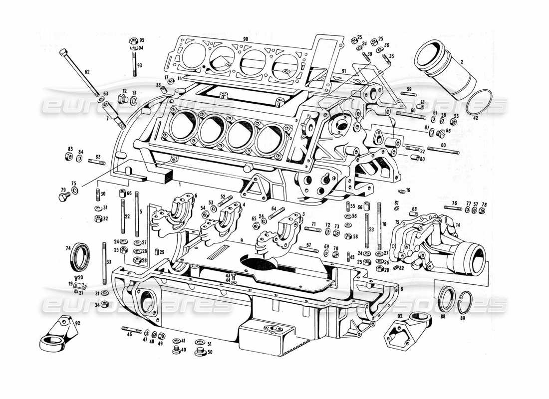
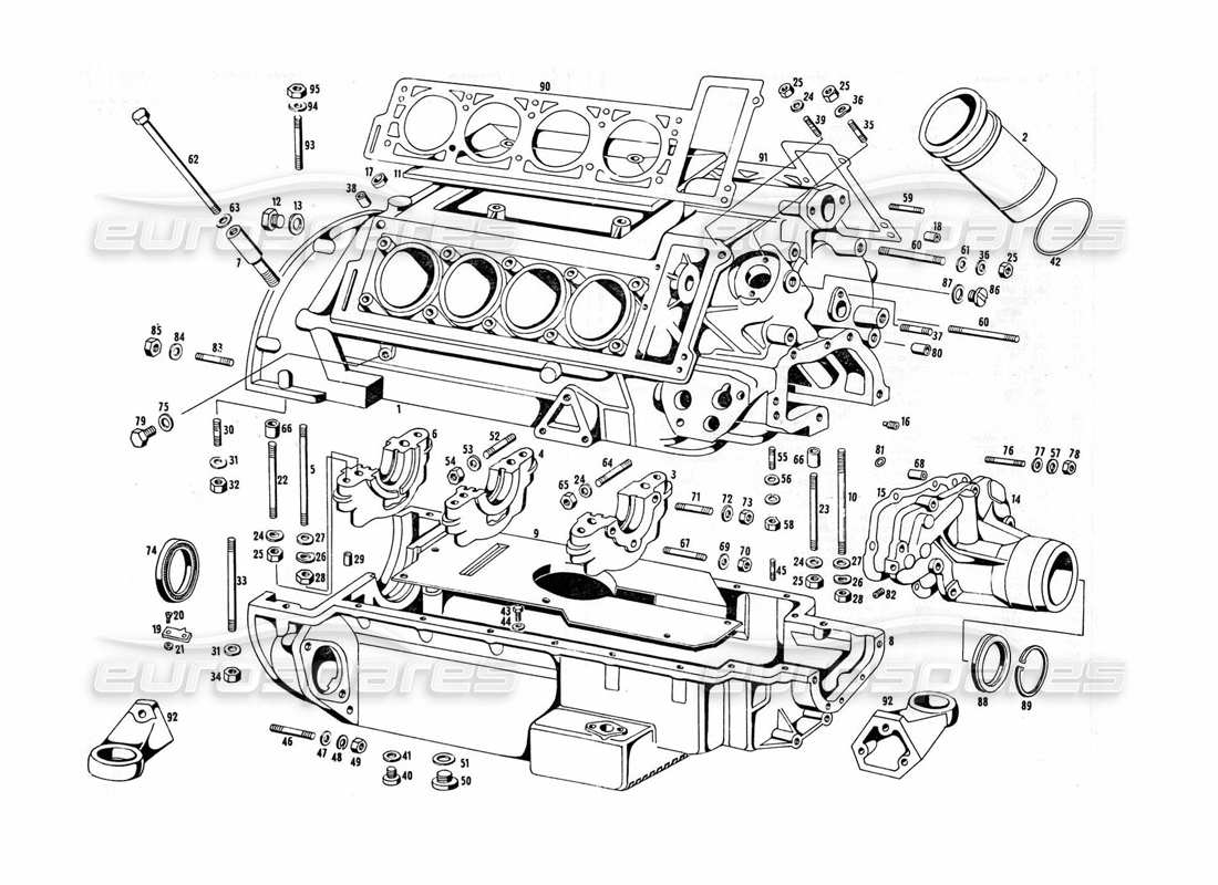
maserati indy 4.2 engine housing parts diagram

002 - engine housing

Maserati Indy 4.2 Engine housing Parts Diagram

View the exploded parts diagram to find the part you are looking for
  • You can reposition the diagram by dragging it
  • You can zoom in and out of the diagram by scrolling, pinching, or using theandbuttons
  • You can reset the diagram using thebutton
View all the part pricing and availability information on the parts table to the rightbelow
  • You can click on a hotspot in the parts diagram to locate the part in the table
  • You can use the options filter, in the filter tab, to hide parts not relevant to your search
Switch between other part diagrams using theandbuttons, or use the diagram images below
We recommend viewing this page in landscape orientation for the best experience
Part Key
ST
Part in stock
PS
Available in a part set
SS
Part supersession in stock
PS
Available in a part set to order (subject to availability)
SO
Part available to order (subject to availability)
PK
Available in a part kit
                                                                                                                                                                                              #
                                                                                                                                                                                              Part number
                                                                                                                                                                                              Description
                                                                                                                                                                                              Price
                                                                                                                                                                                              # 000
                                                                                                                                                                                              MPN: MGAS001
                                                                                                                                                                                              ENGINE GASKET SET
                                                                                                                                                                                              from £519.75
                                                                                                                                                                                              from £519.75
                                                                                                                                                                                              # 001
                                                                                                                                                                                              MPN: 107/2/47 MB 67785
                                                                                                                                                                                              CYLINDER BASE 4700 CC
                                                                                                                                                                                              # 001
                                                                                                                                                                                              MPN: 107/3 MB 67167
                                                                                                                                                                                              BASAMENTO CILINDRI MOT. 4200 C.C.
                                                                                                                                                                                              # 001
                                                                                                                                                                                              MPN: 112 MB 112001
                                                                                                                                                                                              COMPLETE CYLINDER BASE 4700 CC
                                                                                                                                                                                              # 001
                                                                                                                                                                                              MPN: 116 MB 116.006
                                                                                                                                                                                              BASAMENTO CLL. COMP!. DI CANNE, PRIGIONIERI E COPPA 4200 C.C.
                                                                                                                                                                                              # 002
                                                                                                                                                                                              MPN: MB 64188
                                                                                                                                                                                              CYLINDER LINERS SET 4200 C.C.
                                                                                                                                                                                              (8 liners set)
                                                                                                                                                                                              from £1,395.00
                                                                                                                                                                                              from £1,395.00
                                                                                                                                                                                              # 002
                                                                                                                                                                                              MPN: MB 64189
                                                                                                                                                                                              CYLINDER LINERS SET 4700 C.C.
                                                                                                                                                                                              (8 liners set)
                                                                                                                                                                                              from £269.61
                                                                                                                                                                                              from £269.61
                                                                                                                                                                                              # 003
                                                                                                                                                                                              MPN: 107 MB 55704
                                                                                                                                                                                              SUPP. ANT. ALBERO MOTORE
                                                                                                                                                                                              # 004
                                                                                                                                                                                              MPN: 103153250488
                                                                                                                                                                                              SUPP. INTERMEDIO ALBERO MOTORE
                                                                                                                                                                                              # 005
                                                                                                                                                                                              MPN: 103 1531 53488
                                                                                                                                                                                              STUD
                                                                                                                                                                                              # 006
                                                                                                                                                                                              MPN: 107 MB 55703
                                                                                                                                                                                              SUPP. POST. ALBERO MOTORE
                                                                                                                                                                                              # 008
                                                                                                                                                                                              MPN: 107/3 MB 67175
                                                                                                                                                                                              COPPA OLIO MOTORE
                                                                                                                                                                                              # 009
                                                                                                                                                                                              MPN: 103 1820.51406
                                                                                                                                                                                              OIL BULKHEAD IN THE SUMP
                                                                                                                                                                                              # 010
                                                                                                                                                                                              MPN: 103 1531.53560
                                                                                                                                                                                              PRIGLONIERO SUL SUPP. ANT. ALBERO MOTORE
                                                                                                                                                                                              # 011
                                                                                                                                                                                              MPN: 107/3 MB 67164
                                                                                                                                                                                              COVER
                                                                                                                                                                                              # 012
                                                                                                                                                                                              MPN: 107/2 MB 65620
                                                                                                                                                                                              CLUTCH SIDE OIL LINE CLOSURE CAP
                                                                                                                                                                                              # 014
                                                                                                                                                                                              MPN: 107/3 MB 67248
                                                                                                                                                                                              COPERCHLO ANT. BASAMENTO
                                                                                                                                                                                              # 014
                                                                                                                                                                                              MPN: 116 MB 116016
                                                                                                                                                                                              COVER
                                                                                                                                                                                              # 014
                                                                                                                                                                                              MPN: 116 MB 116017
                                                                                                                                                                                              COMPLESSIVO COPERCHIO ANTERLORE
                                                                                                                                                                                              # 015
                                                                                                                                                                                              MPN: 107/2 MB 61424
                                                                                                                                                                                              GUARNIZLONE PER COPERCHIO ANT. MOTORE
                                                                                                                                                                                              # 016
                                                                                                                                                                                              MPN: 107/2 MB 61859
                                                                                                                                                                                              GRAIN FOR FRONT COVER WITH OIL CALIBRATION
                                                                                                                                                                                              # 017
                                                                                                                                                                                              MPN: 107/3 MB 67532
                                                                                                                                                                                              SPACER BETWEEN BASE AND TOP COVER
                                                                                                                                                                                              # 018
                                                                                                                                                                                              MPN: 107 M8 60864
                                                                                                                                                                                              DISTANZIALE PER PRIGLONIER FLSSAGGIO POMPA ACQUA LATO SINISTRO
                                                                                                                                                                                              # 019
                                                                                                                                                                                              MPN: 115 MB 67878
                                                                                                                                                                                              INDEX IGNITION ADVANCE READING
                                                                                                                                                                                              # 020
                                                                                                                                                                                              MPN: VNT 33020
                                                                                                                                                                                              Vito Ø 5 X 0.8 X 12 flssaggio Indice lettura anticipo accensione
                                                                                                                                                                                              # 021
                                                                                                                                                                                              MPN: DNT 47046
                                                                                                                                                                                              NUT
                                                                                                                                                                                              from £0.88
                                                                                                                                                                                              from £0.88
                                                                                                                                                                                              This part replaces part number 47046
                                                                                                                                                                                              # 024
                                                                                                                                                                                              MPN: RAT/45680
                                                                                                                                                                                              RONDEILA ELASTICA ATECO ATN 5203 8.4 X 15 X 0.5 PER DETTO
                                                                                                                                                                                              # 025
                                                                                                                                                                                              MPN: DNT. 47031
                                                                                                                                                                                              NUT
                                                                                                                                                                                              # 026
                                                                                                                                                                                              MPN: RAT/46736
                                                                                                                                                                                              RONDEILA ELAST. ATECO ATN 51003 12X24X1,2 PER PRIGION. SUPP. ALBERO MOT.
                                                                                                                                                                                              # 027
                                                                                                                                                                                              MPN: RNT47085
                                                                                                                                                                                              WASHER
                                                                                                                                                                                              from £3.50
                                                                                                                                                                                              from £3.50
                                                                                                                                                                                              # 029
                                                                                                                                                                                              MPN: GRN 54501
                                                                                                                                                                                              CENTERING GRIN 8 X 24 BETWEEN BASE AND CUP
                                                                                                                                                                                              # 032
                                                                                                                                                                                              MPN: DNT 47080
                                                                                                                                                                                              NUT
                                                                                                                                                                                              # 033
                                                                                                                                                                                              MPN: PN 51443
                                                                                                                                                                                              THREADED STUD
                                                                                                                                                                                              # 036
                                                                                                                                                                                              MPN: RSN 3 2 6 3 5
                                                                                                                                                                                              WASHER
                                                                                                                                                                                              # 038
                                                                                                                                                                                              MPN: FRN 50669
                                                                                                                                                                                              CENTERING GRIN 10 X 26 BETWEEN HEAD AND BASE
                                                                                                                                                                                              # 039
                                                                                                                                                                                              MPN: PN 32662
                                                                                                                                                                                              THREADED STUD
                                                                                                                                                                                              # 040
                                                                                                                                                                                              MPN: TN48178
                                                                                                                                                                                              TAPPO PER CHIUSURA FORO CONDOTTO CONTR. NEL BOSOM. PER OLIO 0 20X1,5X12
                                                                                                                                                                                              # 041
                                                                                                                                                                                              MPN: GN 51444
                                                                                                                                                                                              GUARNIZLONE Ø 20.5 X 26 X 1.5 PER DETTO
                                                                                                                                                                                              # 042
                                                                                                                                                                                              MPN: GOM 50315.
                                                                                                                                                                                              Rubber seal on the barrels 0 70 X 1.2
                                                                                                                                                                                              # 043
                                                                                                                                                                                              MPN: DNT 47016
                                                                                                                                                                                              BOLT
                                                                                                                                                                                              # 045
                                                                                                                                                                                              MPN: PN 32658
                                                                                                                                                                                              THREADED STUD
                                                                                                                                                                                              # 046
                                                                                                                                                                                              MPN: PN48126
                                                                                                                                                                                              PRIGIONLERO Ø TTXI,5X48.5 PER FLSSAGGIO MOTORINO D'AVVIAMENTO ALLA COPPA
                                                                                                                                                                                              # 047
                                                                                                                                                                                              MPN: RN 32422
                                                                                                                                                                                              WASHER
                                                                                                                                                                                              # 050
                                                                                                                                                                                              MPN: TN 50677
                                                                                                                                                                                              Verschlubschraube plug 30 X 1.5 for draining oil from the sump
                                                                                                                                                                                              # 051
                                                                                                                                                                                              MPN: GN33367
                                                                                                                                                                                              Guarnitura Ø 30.5 X 40 X 1 per detto
                                                                                                                                                                                              # 052
                                                                                                                                                                                              MPN: TN 33927
                                                                                                                                                                                              Priglonlero Ø 10 X 1.5 X 38 flssaggio zampa motore al basamento
                                                                                                                                                                                              # 053
                                                                                                                                                                                              MPN: RAT. 45681
                                                                                                                                                                                              WASHER
                                                                                                                                                                                              This part replaces part number 45681
                                                                                                                                                                                              # 055
                                                                                                                                                                                              MPN: PM 35771
                                                                                                                                                                                              PRIGLONIERO 6 X 1 X 28 PER FLSSAGGIO FLANGLA MANDATE POMPA OLIO
                                                                                                                                                                                              # 056
                                                                                                                                                                                              MPN: RNT 47074
                                                                                                                                                                                              WASHER
                                                                                                                                                                                              # 057
                                                                                                                                                                                              MPN: RSN/32690
                                                                                                                                                                                              WASHER
                                                                                                                                                                                              # 058
                                                                                                                                                                                              MPN: DNT 47047
                                                                                                                                                                                              NUT
                                                                                                                                                                                              # 059
                                                                                                                                                                                              MPN: PN 49103
                                                                                                                                                                                              THREADED STUD
                                                                                                                                                                                              # 060
                                                                                                                                                                                              MPN: PN. 55135
                                                                                                                                                                                              PRIGLONLERO 8X1,25X75 FLSA. POMPA ACQUA E SUPP. POMPA GUIDE IDRAULICA
                                                                                                                                                                                              # 062
                                                                                                                                                                                              MPN: BN 54015
                                                                                                                                                                                              BOLT
                                                                                                                                                                                              from £65.50
                                                                                                                                                                                              from £65.50
                                                                                                                                                                                              # 063
                                                                                                                                                                                              MPN: RN 60913
                                                                                                                                                                                              WASHER
                                                                                                                                                                                              Supersession
                                                                                                                                                                                              Supersession
                                                                                                                                                                                              # 066
                                                                                                                                                                                              MPN: GRN 51124
                                                                                                                                                                                              SCREW Ø 12X8,5X22 FOR CENTERING THE BASE AND CRANKSHAFT SUPPORT
                                                                                                                                                                                              # 067
                                                                                                                                                                                              MPN: PN 53525
                                                                                                                                                                                              STUD 10 X 1.5 X 80 FOR FIXING THE BODY AND OIL PUMP COVER
                                                                                                                                                                                              # 068
                                                                                                                                                                                              MPN: GRN 55499
                                                                                                                                                                                              GRAIN Ø 14 X 11.5 X 34 BETWEEN BODY AND COVER FOR SAID
                                                                                                                                                                                              from £10.48
                                                                                                                                                                                              from £10.48
                                                                                                                                                                                              # 069
                                                                                                                                                                                              MPN: RAT. 45681
                                                                                                                                                                                              WASHER
                                                                                                                                                                                              This part replaces part number 45681
                                                                                                                                                                                              # 071
                                                                                                                                                                                              MPN: PN 33921
                                                                                                                                                                                              PRIGLONIERO Ø 8 X 1,25 X 54 FISSAGGIO COPERCHIO E CORPO POMPA OLIO
                                                                                                                                                                                              # 073
                                                                                                                                                                                              MPN: DST 53397
                                                                                                                                                                                              DODO Ø 8X 1,25 X 10 CH 14 PER DETTO
                                                                                                                                                                                              This part replaces part number 53397
                                                                                                                                                                                              # 074
                                                                                                                                                                                              MPN: ANT 67794
                                                                                                                                                                                              SEALING RING
                                                                                                                                                                                              # 075
                                                                                                                                                                                              MPN: GN 47208
                                                                                                                                                                                              GUAMING 10.5 X 16 X 1 FOR WATER DRAIN PLUGS FROM THE BASE
                                                                                                                                                                                              This part replaces part number 47208
                                                                                                                                                                                              # 076
                                                                                                                                                                                              MPN: PN 45843
                                                                                                                                                                                              PRIGLONLERO 8 X 1.25 X 37 PER FLSSAGGIO SUPPORTO ALTERNATORE
                                                                                                                                                                                              from £10.48
                                                                                                                                                                                              from £10.48
                                                                                                                                                                                              # 077
                                                                                                                                                                                              MPN: RAT/45680
                                                                                                                                                                                              WASHER
                                                                                                                                                                                              # 078
                                                                                                                                                                                              MPN: DNT. 47031
                                                                                                                                                                                              NUT
                                                                                                                                                                                              # 079
                                                                                                                                                                                              MPN: TN 65967
                                                                                                                                                                                              PLUG Ø 10 X 1.5 X 15.5 WATER DRAINAGE FROM THE BASE
                                                                                                                                                                                              # 080
                                                                                                                                                                                              MPN: GRN 54501
                                                                                                                                                                                              GRANO Ø 8 X 24 CENTRAGGIO COPERCHIO ANT. BASAMENTO
                                                                                                                                                                                              # 081
                                                                                                                                                                                              MPN: GOM. 42229
                                                                                                                                                                                              GOMMINO Ø 11 X 16 X 2.5 SOTTO IT COPERCHIO ANT. BASAMENTO
                                                                                                                                                                                              from £2.18
                                                                                                                                                                                              from £2.18
                                                                                                                                                                                              # 082
                                                                                                                                                                                              MPN: TN 44295
                                                                                                                                                                                              TAPPO Ø 6 X1 PER FORI OLIO COPERCHIO ANT. BASAMENTO
                                                                                                                                                                                              # 083
                                                                                                                                                                                              MPN: PN53067
                                                                                                                                                                                              THREADED STUD
                                                                                                                                                                                              from £4.36
                                                                                                                                                                                              from £4.36
                                                                                                                                                                                              # 084
                                                                                                                                                                                              MPN: RAT/45680
                                                                                                                                                                                              WASHER
                                                                                                                                                                                              # 085
                                                                                                                                                                                              MPN: DNT. 47031
                                                                                                                                                                                              NUT 8 X 1.25
                                                                                                                                                                                              # 086
                                                                                                                                                                                              MPN: TN 33915
                                                                                                                                                                                              CAP 20 X 1.5 TO CLOSE THE KNEE SHAFT HOLE IN THE CRANKCASE
                                                                                                                                                                                              # 088
                                                                                                                                                                                              MPN: ANT 43241
                                                                                                                                                                                              SEALING RING
                                                                                                                                                                                              # 089
                                                                                                                                                                                              MPN: ART 60328
                                                                                                                                                                                              RING
                                                                                                                                                                                              # 092
                                                                                                                                                                                              MPN: 107/3 MB 66557
                                                                                                                                                                                              SUPPORT
                                                                                                                                                                                              # 093
                                                                                                                                                                                              MPN: PN 45888
                                                                                                                                                                                              PRIGIONLERO Ø 8 X 1.25 X 96 FISSAGGIO COPERCHIO SUPERIORE BASAMENTO
                                                                                                                                                                                              # 094
                                                                                                                                                                                              MPN: GN 32001
                                                                                                                                                                                              GASKET OR SEAL
                                                                                                                                                                                              # 095
                                                                                                                                                                                              MPN: DST 56574
                                                                                                                                                                                              NUT