Maserati Indy Parts

As the trusted source for authentic Maserati parts, we are dedicated to preserving the legacy of this iconic Grand Tourer by providing you with the highest quality parts and expert support. View the Indy part diagrams to locate the exact part you are looking for or contact us and we will source the part for you.

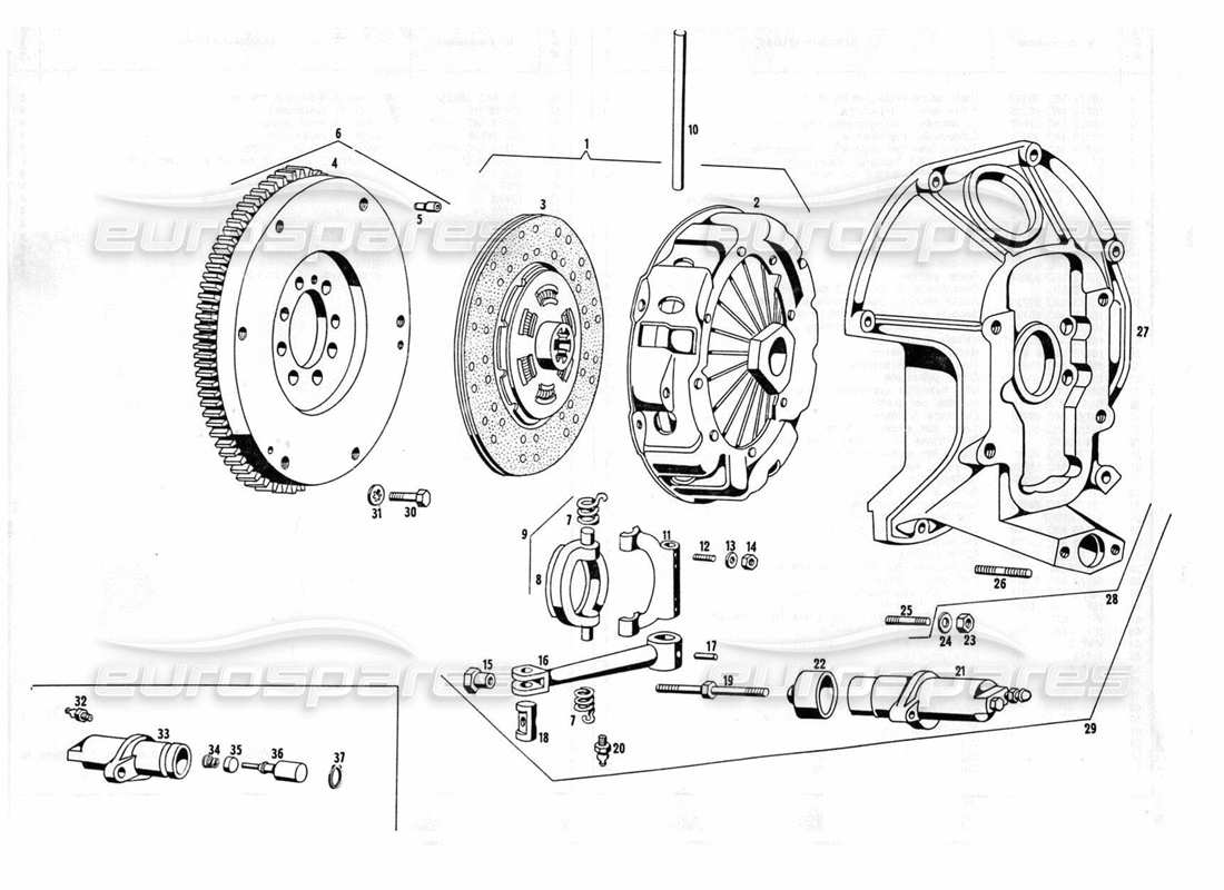
a part diagram from the maserati indy 4.2 parts catalogue
Indy

Indy 4.2

A True Grand Tourer: Luxurious Comfort and Performance

The Maserati Indy made its debut in 1969, introduced as a refined addition to the grand touring lineage. It was crafted to unite the performance-driven character of the Ghibli with the poised luxury of the Mexico. Produced until 1975, the Indy carved out a six-year legacy as one of Maserati’s most well-balanced GT offerings.

Powered by a 4.2-litre V8 engine, which produced 255 horsepower, the 2-door 2+2 coupe was a true Grand Tourer in the sense it was luxurious, practical for long journeys, and fast. The top speed was around 155 mph.

Read More >>

The first model released for this impressive front-engine, rear-wheel drive mean machine was the Indy 4200 (4200cc/4.2-litre), followed in 1970 by the Indy 4700 (4700cc/4.7-litre), and in 1972, the Indy 4900 (4900cc/4.9-litre) was added to the range.

With its sleek body shape, you were forgiven for believing that this was not a true 2+2. Amongst many of its other positive features, it could accommodate four adult passengers.

A 5-gear manual transmission came as standard with an option to upgrade to a 3-speed Borg-Warner automatic. The Maserati website states that other standard equipment included a two-way adjustable steering column, an anti-theft steering lock, leather upholstery, tinted electric windows, reclining seats, fog lights and a heated rear windscreen.

The Maserati Indy interior was lavish and well-appointed, with high-quality materials and attention to detail. The seats were spacious and comfortable, and the car offered ample legroom and headroom for passengers.

Under Citroën’s stewardship, the Indy received several enhancements, including a hydraulic brake system introduced in 1973. Across all versions, 1,104 examples were produced, 440 of the 4200, 364 of the 4700, and 300 of the final 4900.

Striking to behold and stirring to drive, the Indy blended Italian charisma with grand touring functionality. For those lucky enough to experience one, it wasn’t just a mode of travel - it was a moving expression of Maserati’s golden era, propelled by a V8 that sang with intent and soul.

Invest in Excellence: Protect Your Maserati Indy with Genuine Parts

When it comes to keeping your Maserati Indy in flawless condition and ensuring its enduring performance, Eurospares stands as your trusted partner. We are a world leader in supplying a comprehensive range of genuine and OEM Maserati Indy parts, catering to every aspect of your vehicle's maintenance and restoration needs.

Our extensive inventory encompasses every component, from the intricate clutch assemblies to the robust bumpers and essential water pumps. Whether you seek complete seats and upholstery for a luxurious interior upgrade or require specific parts for mechanical repairs, Eurospares has you covered.

To find the Indy parts you need you can utilise the detailed part diagrams to pinpoint the precise parts you require. Our diagrams provide clear illustrations and comprehensive part listings, ensuring you select the right parts for your Indy model.

In addition, browse our curated selection in the parts showcase to view in-stock Indy parts and discover a wide range of spares readily available for immediate despatch. With our vast inventory, user-friendly part diagrams, service kits, used parts, and expert support, Eurospares is your one-stop shop for all Maserati Indy parts.

Fast Worldwide Delivery Available

We understand that your Maserati Indy is a valuable asset and you do not want to experience any downtime when it comes to repair or maintenance.

Be assured we're committed to delivering the parts you need as quickly as possible. We offer next-day delivery within the UK, USA, France, Germany and Italy. For other international destinations including Australia, Dubai, and Japan, we offer expedited delivery options to ensure your parts reach you in as little as two days.

Every order is professionally packaged by supercar enthusiasts using high-quality packing materials. You can rest assured that your precious Maserati Indy parts will arrive in perfect condition.

We are committed to providing you with the highest quality spare parts, competitive prices, and exceptional customer service, ensuring your Maserati Indy continues to deliver the exceptional driving experience you deserve.

Preserve the Legacy with Eurospares

Our passion for Maserati parts extends beyond our extensive inventory and competitive prices. Our team of experts possesses a deep understanding of the Maserati Indy's intricacies, ready to provide personalized assistance and guidance throughout your parts selection process.

Whether you're seeking advice on a specific part or need assistance navigating our comprehensive catalogue, our team is readily available to support you. Our goal is to help you keep your Maserati Indy in top condition, and we're here to help you find the exact parts you need.