Maserati GranTurismo Special Edition Part Diagrams
Start exploring our detailed parts diagrams for Maserati GranTurismo Special Edition to find the exact spare parts and accessories you need for repair or maintenance.
001
CRANKCASE

002
CRANK MECHANISM

003
AUXILIARY DEVICE BELTS

004
RH CYLINDER HEAD

005
LH CYLINDER HEAD

006
RH CYLINDER HEAD CAMSHAFTS

007
LH CYLINDER HEAD CAMSHAFTS

008
TIMING

009
VALVES

010
INTAKE MANIFOLD AND THROTTLE BODY

011
AIR FILTER, AIR INTAKE AND DUCTS

012
FUEL TANK

013
FUEL PUMPS AND CONNECTION LINES

014
FUEL VAPOUR RECIRCULATION SYSTEM

015
ADDITIONAL AIR SYSTEM

016
LUBRICATION SYSTEM: CIRCUIT AND CONNECTION

017
LUBRICATION SYSTEM: PUMP AND FILTER

018
HEAT EXCHANGER

019
OIL VAPOUR RECIRCULATION SYSTEM

020
COOLING: AIR RADIATORS AND DUCTS

021
COOLING SYSTEM: NOURICE AND LINES

022
COOLING SYSTEM: WATER PUMP

023
PRE CATALYTIC CONVERTERS AND CATALYTIC CONVERTERS

024
SILENCERS

025
ELECTRONIC CONTROL: INJECTION AND ENGINE TIMING

026
ELECTRONIC CONTROL: ENGINE IGNITION

027
ACTUATION HYDRAULIC FOR GEARBOX

028
FRICTION DISCS AND HOUSING FOR GEARBOX

029
ELECTRONIC CLUTCH CONTROL

030
DRIVER CONTROLS

031
GEARBOX HOUSINGS

032
MAIN SHAFT GEARS

033
LAY SHAFT GEARS

034
INNER CONTROLS

035
DIFFERENTIAL AND REAR AXLE SHAFTS

036
TRANSMISSION PIPE

037
GEARBOX ACTIVATION HYDRAULICS POWER UNIT

038
GEARBOX ACTIVATION HYDRAULICS : TANK AND PUMP

039
LUBRICATION AND GEARBOX OIL COOLING

040
ELECTRONIC CONTROL (GEARBOX)

041
BRAKE SERVO SYSTEM

042
BRAKING DEVICES ON FRONT WHEELS

043
BRAKING DEVICES ON REAR WHEELS

044
LINES

045
HANDBRAKE

046
BRAKING CONTROL SYSTEMS

047
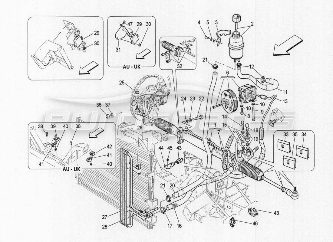
STEERING COLUMN AND STEERING WHEEL UNIT

048
STEERING BOX AND HYDRAULIC STEERING PUMP

049
COMPLETE PEDAL BOARD UNIT

050
WHEELS AND TYRES

051
FRONT SUSPENSION

052
FRONT SHOCK ABSORBER DEVICES

053
FRONT SHOCK ABSORBER DEVICES

054
FRONT UNDERCHASSIS

055
REAR SUSPENSION

056
REAR SHOCK ABSORBER DEVICES

057
REAR CHASSIS

058
ELECTRONIC CONTROL (SUSPENSION)

059
ELECTRONIC CONTROL (SUSPENSION)

060
FRONT AIRBAG SYSTEM

061
PASSENGERS AIR BAG

062
FRONT SIDE BAG SYSTEM

063
CRASH SENSORS

064
FRONT SEATBELTS

065
REAR SEATBELTS

066
TYRE PRESSURE MONITORING SYSTEM

067
ACCESSORIES PROVIDED

068
ACCESSORIES PROVIDED

069
ACCESSORIES PROVIDED

070
AFTER MARKET ACCESSORIES

071
AFTER MARKET ACCESSORIES

072
TRIMS AND COVERING PANELS

073
EXTERNAL VEHICLE DEVICES

074
INTERNAL VEHICLE DEVICES

075
ENERGY GENERATION AND ACCUMULATION

076
HEADLIGHT CLUSTERS

077
TAILIGHT CLUSTERS

078
SIDE LIGHT CLUSTERS

079
LIGHTING SYSTEM CONTROL

080
A C UNIT: ENGINE COMPARTMENT DEVICES

081
A C UNIT: ENGINE COMPARTMENT DEVICES

082
DASHBOARD DEVICES

083
CENTRE CONSOLE DEVICES

084
SENSORS

085
IT SYSTEM

086
CENTRE CONSOLE DEVICES

087
DOOR DEVICES

088
ALARM AND IMMOBILIZER SYSTEM

089
MAIN WIRING

090
MAIN WIRING

091
RELAYS, FUSES AND BOXES

092
SOUND SYSTEM

093
IT SYSTEM

094
RECEPTION AND CONNECTION SYSTEM

095
BODYWORK AND FRONT OUTER TRIM PANELS

096
BODYWORK AND CENTRAL OUTER TRIM PANELS

097
BODYWORK AND REAR OUTER TRIM PANELS

098
FRONT STRUCTURAL FRAMES AND SHEET PANELS

099
CENTRAL STRUCTURAL FRAMES AND SHEET PANELS

100
REAR STRUCTURAL FRAMES AND SHEET PANELS

101
FRONT BUMPER

102
REAR BUMPER

103
PARKING SENSORS

104
WHEELHOUSE AND LIDS

105
UNDERBODY AND UNDERFLOOR GUARDS

106
SHIELDS, TRIMS AND COVERING PANELS

107
SHIELDS, TRIMS AND COVERING PANELS

108
BRANDS AND SYMBOLS

109
STICKERS AND LABELS

110
FRONT LID

111
REAR LID

112
FUEL TANK DOOR AND CONTROLS

113
FRONT LID OPENING BUTTON

114
REAR LID OPENING CONTROL

115
FRONT DOORS: TRIM AND PANELS

116
FRONT DOORS: MECHANISMS

117
WINDOWS AND WINDOW STRIPS

118
INTERNAL AND EXTERNAL REAR VIEW MIRRORS

119
FRONT SEATS: TRIM PANELS

120
FRONT SEATS: MECHANICS AND ELECTRONICS

121
REAR SEATS: TRIM PANELS

122
PASSENGER COMPARTMENT AND PILLAR TRIM PANELS AND SIDE PANELS

123
ROOF AND SUN VISORS

124
REAR PARCEL SHELF

125
DASHBOARD UNIT

126
ACCESSORY CONSOLE AND CENTRE CONSOLE

127
GLOVE COMPARTMENTS

128
PASSENGER COMPARTMENT MATS

129
LUGGAGE COMPARTMENT MATS

130
SOUND PROOFING PANELS INSIDE VEHICLE

131