Granted by MASERATI
Copyright MASERATI
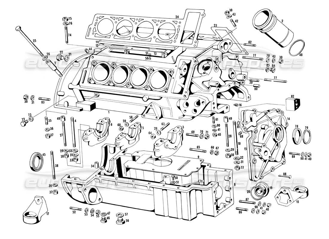
maserati ghibli 4.7 / 4.9 engine housing parts diagram

002 - engine housing

Maserati Ghibli 4.7 / 4.9 Engine Housing Parts Diagram

View the exploded parts diagram to find the part you are looking for
  • You can reposition the diagram by dragging it
  • You can zoom in and out of the diagram by scrolling, pinching, or using theandbuttons
  • You can reset the diagram using thebutton
View all the part pricing and availability information on the parts table to the rightbelow
  • You can click on a hotspot in the parts diagram to locate the part in the table
  • You can use the options filter, in the filter tab, to hide parts not relevant to your search
Switch between other part diagrams using theandbuttons, or use the diagram images below
We recommend viewing this page in landscape orientation for the best experience
Part Key
ST
Part in stock
PS
Available in a part set
SS
Part supersession in stock
PS
Available in a part set to order (subject to availability)
SO
Part available to order (subject to availability)
PK
Available in a part kit
                                                                                                                                                                                      #
                                                                                                                                                                                      Part number
                                                                                                                                                                                      Description
                                                                                                                                                                                      Price
                                                                                                                                                                                      # 000
                                                                                                                                                                                      MPN: MGAS002
                                                                                                                                                                                      Complete Gasket Set
                                                                                                                                                                                      (valid for 4.7 & 4.9 V8)
                                                                                                                                                                                      from £786.96
                                                                                                                                                                                      from £786.96
                                                                                                                                                                                      # 001
                                                                                                                                                                                      MPN: 115 MB 66669
                                                                                                                                                                                      BASAMENTO CILINDRI (RICAVAB. DALLA FUSIONE 107/2 MB 59496)
                                                                                                                                                                                      # 002
                                                                                                                                                                                      MPN: MB 64189
                                                                                                                                                                                      CYLINDER LINERS SET 4700 C.C.
                                                                                                                                                                                      from £259.04
                                                                                                                                                                                      from £259.04
                                                                                                                                                                                      # 003
                                                                                                                                                                                      MPN: 107 MB 55704
                                                                                                                                                                                      SUPPORT
                                                                                                                                                                                      # 004
                                                                                                                                                                                      MPN: 103 1530 53488
                                                                                                                                                                                      STUD
                                                                                                                                                                                      # 006
                                                                                                                                                                                      MPN: 107 MB 55703
                                                                                                                                                                                      SUPPORT
                                                                                                                                                                                      # 008
                                                                                                                                                                                      MPN: 115 MB 63040
                                                                                                                                                                                      ENGINE OIL PAN .
                                                                                                                                                                                      # 009
                                                                                                                                                                                      MPN: 115 MB 63266
                                                                                                                                                                                      OIL BULKHEAD IN THE SUMP
                                                                                                                                                                                      # 011
                                                                                                                                                                                      MPN: 107 MB 57608
                                                                                                                                                                                      COVER
                                                                                                                                                                                      # 012
                                                                                                                                                                                      MPN: 107 MB 57620
                                                                                                                                                                                      GASKET OR SEAL
                                                                                                                                                                                      from £28.20
                                                                                                                                                                                      from £28.20
                                                                                                                                                                                      # 013
                                                                                                                                                                                      MPN: 107 MB 57619
                                                                                                                                                                                      LAMIERA SOTTOCOPERCHIO SUPERIORE BASAMENTO .
                                                                                                                                                                                      # 014
                                                                                                                                                                                      MPN: 115 MB 63026
                                                                                                                                                                                      COVER
                                                                                                                                                                                      # 015
                                                                                                                                                                                      MPN: 115 MB 64029
                                                                                                                                                                                      GASKET OR SEAL
                                                                                                                                                                                      # 016
                                                                                                                                                                                      MPN: 107/2 MB 61859
                                                                                                                                                                                      GRADE WITH OIL PASSAGE CALIBRATION ON THE FRONT COVER
                                                                                                                                                                                      # 017
                                                                                                                                                                                      MPN: 107/2 MB 63811
                                                                                                                                                                                      SUPPORT
                                                                                                                                                                                      # 017
                                                                                                                                                                                      MPN: MB 66923
                                                                                                                                                                                      SUPPORT
                                                                                                                                                                                      # 018
                                                                                                                                                                                      MPN: 107/2 MB 63812
                                                                                                                                                                                      SUPPORT
                                                                                                                                                                                      # 018
                                                                                                                                                                                      MPN: MB 66924
                                                                                                                                                                                      SUPPORT
                                                                                                                                                                                      # 019
                                                                                                                                                                                      MPN: 115 MB 63197
                                                                                                                                                                                      COPERCHIETTO LATERALE SULLA COPPA MOTORE
                                                                                                                                                                                      # 020
                                                                                                                                                                                      MPN: GOM 52319
                                                                                                                                                                                      Gommino Ø 75 X 80 X 2,5 per detto
                                                                                                                                                                                      # 022
                                                                                                                                                                                      MPN: 107/2 MB 65320
                                                                                                                                                                                      CLUTCH SIDE OIL LINE CLOSURE CAP.
                                                                                                                                                                                      # 023
                                                                                                                                                                                      MPN: MT64850
                                                                                                                                                                                      LH HEAD GASKET
                                                                                                                                                                                      from £140.00
                                                                                                                                                                                      from £140.00
                                                                                                                                                                                      # 024
                                                                                                                                                                                      MPN: MHGAS002
                                                                                                                                                                                      PAIR HEAD GASKETS 4,7-4,9 CC.
                                                                                                                                                                                      # 024
                                                                                                                                                                                      MPN: MT64851
                                                                                                                                                                                      RH HEAD GASKET
                                                                                                                                                                                      from £168.64
                                                                                                                                                                                      from £168.64
                                                                                                                                                                                      # 025
                                                                                                                                                                                      MPN: BN 54015
                                                                                                                                                                                      BOLT
                                                                                                                                                                                      from £66.08
                                                                                                                                                                                      from £66.08
                                                                                                                                                                                      # 026
                                                                                                                                                                                      MPN: RN 60913
                                                                                                                                                                                      WASHER
                                                                                                                                                                                      Supersession
                                                                                                                                                                                      Supersession
                                                                                                                                                                                      # 029
                                                                                                                                                                                      MPN: RAT/45680
                                                                                                                                                                                      WASHER
                                                                                                                                                                                      # 030
                                                                                                                                                                                      MPN: DNT. 47031
                                                                                                                                                                                      NUT 8 X 1.25
                                                                                                                                                                                      # 031
                                                                                                                                                                                      MPN: RAT/46736
                                                                                                                                                                                      WASHER
                                                                                                                                                                                      # 032
                                                                                                                                                                                      MPN: RNT47085
                                                                                                                                                                                      WASHER
                                                                                                                                                                                      from £3.52
                                                                                                                                                                                      from £3.52
                                                                                                                                                                                      # 034
                                                                                                                                                                                      MPN: GRN 54501
                                                                                                                                                                                      CENTERING GRIN Ø 8 X 24 BETWEEN BASE AND CUP.
                                                                                                                                                                                      # 037
                                                                                                                                                                                      MPN: DNT 47080
                                                                                                                                                                                      NUT
                                                                                                                                                                                      # 038
                                                                                                                                                                                      MPN: PN 51443
                                                                                                                                                                                      THREADED STUD
                                                                                                                                                                                      # 040
                                                                                                                                                                                      MPN: DNT 47047
                                                                                                                                                                                      NUT
                                                                                                                                                                                      # 041
                                                                                                                                                                                      MPN: RSN/32690
                                                                                                                                                                                      WASHER
                                                                                                                                                                                      # 042
                                                                                                                                                                                      MPN: PN 32662
                                                                                                                                                                                      THREADED STUD
                                                                                                                                                                                      # 043
                                                                                                                                                                                      MPN: RSN 3 2 6 3 5
                                                                                                                                                                                      WASHER
                                                                                                                                                                                      # 044
                                                                                                                                                                                      MPN: GRN 50669
                                                                                                                                                                                      CENTERING GRIN Ø 10 X 26 BETWEEN HEAD AND BASE.
                                                                                                                                                                                      # 045
                                                                                                                                                                                      MPN: ANT 69925
                                                                                                                                                                                      SEALING RING
                                                                                                                                                                                      # 045
                                                                                                                                                                                      MPN: ANT47974
                                                                                                                                                                                      SEALING RING
                                                                                                                                                                                      # 046
                                                                                                                                                                                      MPN: TN48178
                                                                                                                                                                                      PLUG Ø 20 X 1,5 X 12 CLOSING THE HOLE IN THE CENTRAL OIL DUCT BEHIND THE FIRST BENCH SUPPORT AND FORD UNDER THE SUMP
                                                                                                                                                                                      # 048
                                                                                                                                                                                      MPN: GOM 50315.
                                                                                                                                                                                      GOMMINO Ø 70 X 1,2 TENUTA SULLE CANNE
                                                                                                                                                                                      # 049
                                                                                                                                                                                      MPN: GRN 51124
                                                                                                                                                                                      GRANO Ø 12X 8,5 X 22 PER CENTRAGGIO SUPPORTI ALBERO MOT.
                                                                                                                                                                                      # 056
                                                                                                                                                                                      MPN: TN 50677
                                                                                                                                                                                      PLUG Ø 30 X 1,5 X 16 FOR DRAINAGE OF OIL FROM THE SUMP.
                                                                                                                                                                                      # 058
                                                                                                                                                                                      MPN: PN 33919
                                                                                                                                                                                      THREADED STUD
                                                                                                                                                                                      # 062
                                                                                                                                                                                      MPN: PN 49103
                                                                                                                                                                                      THREADED STUD
                                                                                                                                                                                      # 064
                                                                                                                                                                                      MPN: DNT 43118
                                                                                                                                                                                      NUT
                                                                                                                                                                                      # 065
                                                                                                                                                                                      MPN: PN 53525
                                                                                                                                                                                      THREADED STUD
                                                                                                                                                                                      # 066
                                                                                                                                                                                      MPN: RAT. 45681
                                                                                                                                                                                      WASHER
                                                                                                                                                                                      This part replaces part number 45681
                                                                                                                                                                                      # 068
                                                                                                                                                                                      MPN: TN 44295
                                                                                                                                                                                      TAPPO Ø 6 X1 PER FORO OLIO COPERCHIO ANTER. BASAM..
                                                                                                                                                                                      # 069
                                                                                                                                                                                      MPN: PN 33921
                                                                                                                                                                                      THREADED STUD
                                                                                                                                                                                      # 070
                                                                                                                                                                                      MPN: RNT47075
                                                                                                                                                                                      WASHER
                                                                                                                                                                                      This part replaces part number 47075
                                                                                                                                                                                      # 071
                                                                                                                                                                                      MPN: DST 53397
                                                                                                                                                                                      NUT
                                                                                                                                                                                      This part replaces part number 53397
                                                                                                                                                                                      # 072
                                                                                                                                                                                      MPN: TN 65967
                                                                                                                                                                                      PLUG Ø 10 X 1,5 X 15 WATER DRAINAGE FROM THE BASE
                                                                                                                                                                                      # 073
                                                                                                                                                                                      MPN: GN 47208
                                                                                                                                                                                      GUARNITURA Ø 10,5 X 16 X 1 PER DETTO
                                                                                                                                                                                      This part replaces part number 47208
                                                                                                                                                                                      # 074
                                                                                                                                                                                      MPN: PN 45888
                                                                                                                                                                                      THREADED STUD
                                                                                                                                                                                      # 075
                                                                                                                                                                                      MPN: DST 56574
                                                                                                                                                                                      NUT
                                                                                                                                                                                      # 076
                                                                                                                                                                                      MPN: GN 32001
                                                                                                                                                                                      GASKET OR SEAL
                                                                                                                                                                                      # 077
                                                                                                                                                                                      MPN: PN. 55135
                                                                                                                                                                                      THREADED STUD
                                                                                                                                                                                      # 078
                                                                                                                                                                                      MPN: ANT 45920
                                                                                                                                                                                      SEALING RING
                                                                                                                                                                                      from £46.26
                                                                                                                                                                                      from £46.26
                                                                                                                                                                                      # 079
                                                                                                                                                                                      MPN: ART 47864
                                                                                                                                                                                      RING
                                                                                                                                                                                      # 080
                                                                                                                                                                                      MPN: GRN 54501
                                                                                                                                                                                      Grano Ø 8 x 24 centraggio coperchio anteriore basam.
                                                                                                                                                                                      # 081
                                                                                                                                                                                      MPN: GOM. 42229
                                                                                                                                                                                      RUBBER Ø 11 X 16 X 2,5 UNDER THE FRONT CRANKCASE COVER.
                                                                                                                                                                                      from £2.20
                                                                                                                                                                                      from £2.20
                                                                                                                                                                                      # 082
                                                                                                                                                                                      MPN: 107/2 MD 59607
                                                                                                                                                                                      SPACER FOR AUTOMATIC TENSIONER.
                                                                                                                                                                                      # 083
                                                                                                                                                                                      MPN: PN53067
                                                                                                                                                                                      THREADED STUD
                                                                                                                                                                                      from £4.40
                                                                                                                                                                                      from £4.40
                                                                                                                                                                                      # 084
                                                                                                                                                                                      MPN: TN 33915
                                                                                                                                                                                      Cap Ø 20X 1,5 closing the pulley hole in the base
                                                                                                                                                                                      # 087
                                                                                                                                                                                      MPN: PN 35828
                                                                                                                                                                                      THREADED STUD
                                                                                                                                                                                      # 088
                                                                                                                                                                                      MPN: BNT 51008
                                                                                                                                                                                      BOLT
                                                                                                                                                                                      # 089
                                                                                                                                                                                      MPN: PN 63589
                                                                                                                                                                                      THREADED STUD
                                                                                                                                                                                      # 090
                                                                                                                                                                                      MPN: RAT/45678
                                                                                                                                                                                      WASHER
                                                                                                                                                                                      from £0.88
                                                                                                                                                                                      from £0.88
                                                                                                                                                                                      This part replaces part number 45678