Maserati Ghibli 4.7 / 4.9 Part Diagrams
Identify the exact parts you need for your Maserati Ghibli 4.7 / 4.9 with the help of our detailed parts diagrams.
001
CYLINDER HEADS

002
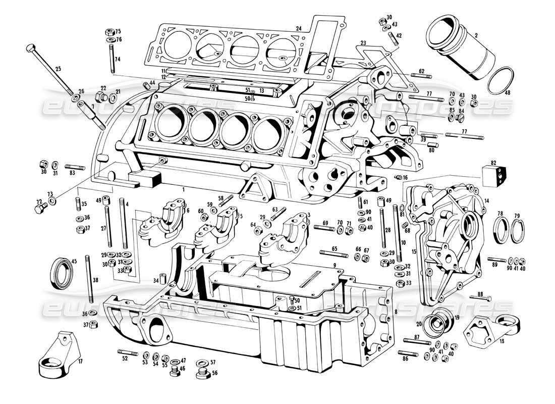
ENGINE HOUSING

003
MOVING PARTS

004
TIMING

005
OIL PUMP AND FILTER

006
ENGINE COOLING

007
RADIATOR AND FAN

008
ELECTRICAL EQUIPMENT

009
AIR INTAKE MANIFOLD AND FILTER

010
CARBURETOR

011
CLUTCH

012
TRANSMISSION CONTROL

013
TRANSMISSION HOUSING

014
TRANSMISSION GEARS

015
AUTOMATIC TRANSMISSION

016
DIFFERENTIAL AND PROPELLER SHAFTS

017
FRAME

018
FRONT SUSPENSION

019
REAR SUSPENSION

020
STEERING PARTS AND PEDALS

021
TIE RODS

022
HYDRAULIC STEERING

023
FRONT BRAKES TWO CALIPERS

024
FRONT BRAKES AND HANDBRAKE

025
FRONT COOLED BRAKES

026
REAR COOLED BRAKES

027
BRAKE CONTROL

028
BRAKE CONTROL WITH BONALDI SERVO UNIT

029
FUEL TANK AND PUMP

030
EXHAUST PIPES

031
DASHBOARD INSTRUMENTS

032
LIGHTS

033
ELECTRICAL EQUIPMENT

034
FRONT BODY

035
BODY SHELL

036
BUMPERS AND GLASSES

037
INTERNAL UPHOLSTERY

038
LOCKS

039
DOORS

040
SEATS AND UPHOLSTERY

041
HEATING AND CONDITIONING

042
CONDITIONING COMPRESSOR

043
VENTILATION

044