Maserati 418 / 4.24v / 430 Part Diagrams
Our user-friendly parts diagrams for Maserati 418 / 4.24v / 430 help you find the right parts quickly and easily.
001
EXHAUST SYSTEM, 2000 3V

001.1
NOT CATALIZED EXHAUST SYSTEM, 3 & 4V

001.2
CATALYZED EXHAUST SYSTEM, 2800 3V

001.3
CATALYZED EXHAUST SYSTEM, 4V

002
ENGINE COOLING, 4V

002.1
ENGINE COOLING, 3V

003
RADIATOR AND COOLING FANS

004
AIR CONDITIONING SYSTEM, LH STEERING

004.1
AIR CONDITIONING SYSTEM, RH STEERING

004.2
AIR CONDITIONING SYSTEM CONDENSER

005
HEAT EXCHANGERS - PIPES

006
FUEL PIPES

007
FUEL TANK

008
CLUTCH FOR GEARBOX GETRAG

008.1
CLUTCH FOR GEARBOX ZF

009
GEARBOX, GETRAG

009.1
GEARBOX, GETRAG - EXTERNALS CONTROLS

010
GEARBOX, ZF

010.1
GEARBOX, 2F-EXTERNAL CONTROLS

010.2
GEARBOX, ZF-EXTERNAL CONTROLS

010.3
GEARBOX, ZF-MAIN SHAFT

010.4
GEARBOX, ZF-LAYSHAFT

011
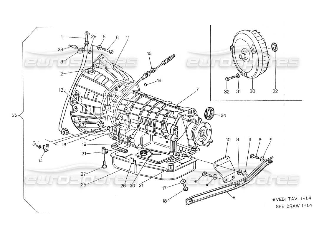
AUTOMAT. TRANSM. WITH CONVERT..ZF-4HP 22

011.1
AUTOMAT. TRANSM., ZF-EXTERNALS CONTROLS

011.2
AUTOMATIC TRANSMISSION ZF-OIL COOLER

012
PROPELLER SHAFT, GETRAG

012.1
PROPELLER SHAFT, ZF

013
DIFFERENTIAL

014
STEERING COLUMN AND STEERING WHEEL

015
FRONT CHASSIS

016
POWER STEERING UNIT, LH STEERING

016.1
POWER STEERING BOX WITH OIL COOLER

017
FRONT SUSPENSION

018
FRONT SHOCK ABSORBER

019
REAR SUSPENSION

020
REAR SHOCK ABSORBER

020.1
ELECTR. ADJUST. REAR SHOCK ABSORBER

021
FRONT HUBS AND BRAKES

022
HUBS, REAR BRAKES AND AXLE SHAFTS

023
HAND BRAKE CONTROL

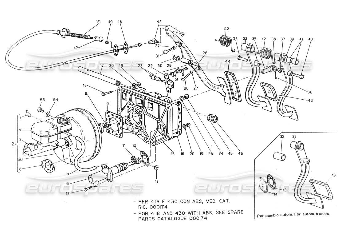
024
PEDAL BOARD AND POWER BRAKE. LH STEERING

024.1
PEDAL BOARD AND POWER BRAKE, RH STEERING

025
POWER BRAKE PIPING

026
WHEEL RIMS

027
BODYWORK-EXTERNALS PANELS

028
BODYWORK-INTERNAL FRAME

029
BODYWORK-FRONT SIDE,ROOF P.,DOORS,HOODS

030
ENGINE HOOD, HINGES AND OPENING CONTROLS

031
TRUNK LID, HINGES AND OPENING CONTROLS

032
FRONT DOORS

032.1
REAR DOORS

033
FRONT DOORS, GLASSES AND WINDOW LIFTS

033.1
REAR DOORS, GLASSES AND WINDOW LIFTS

034
FIXED GLASSES AND FINISHERS

035
EXTERNAL FINISHING

036
FRONT BUMPER

037
REAR BUMPER

038
HOOD AND ENGINE COMPART. INT.TRIMMING

039
TRUNK-TRIMMINGS AND TOOLS

039.1
SPARE WHEEL HOUSING

040
WINDSHIELD WIPER, LH STEERING

040.1
WINDSHIELD WIPER, RH STEERING

041
HEADLAMPS

042
TAIL LIGHTS

043
ENGINE COMPART. ELECTR. SYSTEM,LH STEER.

043.1
ENGINE COMPART. ELECTR. SYSTEM,RH STEER.

044
PASSENGER COMP. ELECTR. SYSTEM,RH STEER.

044.1
PASSENGER COMP. ELECTR. SYSTEM,LH STEER.

045
INSTRUMENT BOARD, JAEGER

045.1
INSTRUMENT BOARD, BORLETTI

046
SWITCHES AND STEERING LOCK

047
DASHBOARD, LH STEERING

047.1
DASHBOARD, RH STEERING

048
CONSOLE

049
ROOF AND INNER TRIMS

050
DOORS AND INTERNAL TRIMMING

051
FRONT AND REAR SEATS

052
SAFETY BELTS, REAR VIEW MIRROR, SUN VISOR

053
PASSENGER COMPARTMENT INSULATION

053.1
PASSENGER COMPART. CARPETS AND FELTS

054
PASSENGER COMPARTMENT VENTILATION

055
AIR CONDITIONER ASSY

056