Lamborghini Urraco Parts
Discover the complete range of Lamborghini Urraco parts online at Eurospares. Select your model to view the online part diagrams and find the exact part and accessory you need for your head-turning vintage V8.
Discover the complete range of Lamborghini Urraco parts online at Eurospares. Select your model to view the online part diagrams and find the exact part and accessory you need for your head-turning vintage V8.


There are no models matching the filter expression you typed. Please try again.
The 70s brought us a time of social tensions with the oil crisis, but it also gave us one of Lamborghini’s most intriguing creations. The Urraco, which means “little bull,” was introduced as a more accessible alternative to the flagship V12 models.
Styled by Marcello Gandini at Bertone, it featured a sharp wedge profile and compact 2+2 layout that reflected Lamborghini’s vision of a more practical GT.
Read More >>
Designed to compete with the likes of the Porsche 911, Maserati Merak, and Ferrari Dino, it marked Lamborghini’s first foray into mid-mounted V8 engines. Several versions were produced, most notably the P250 and the P300.
The P250, powered by a 2.5-litre V8 producing 220 horsepower, became the most popular variant with 520 units built. The P300 followed with a larger 3.0-litre engine, revised suspension, and improved handling. It also received updated bodywork, with its headlights moved forward and the bonnet reworked with six cooling fins rather than two. The interior was cleaner and more refined, built entirely in-house at Sant'Agata.
From 1973 to 1979, a total of 791 Urracos were produced. American-market versions, constrained by emissions regulations, were detuned and are distinguishable by slight external differences. Notably, the Urraco’s V8 was among the first Lamborghini engines to be machined using computer-controlled milling machines - a groundbreaking precursor to modern CNC production techniques.
The Urraco’s DNA didn’t stop with its own badge. Its platform went on to underpin the Lamborghini Silhouette and Jalpa, establishing it as the foundation for Lamborghini’s V8 lineage that would carry the brand into the 1980s.
These 4-seater Lambo GTs are popular today on the collectors market with fine examples fetching a high price tag. You will probably not see any on the road but owners tend to take them to car shows, so take time to admire the refined interior and charm of this desirable Italian icon.
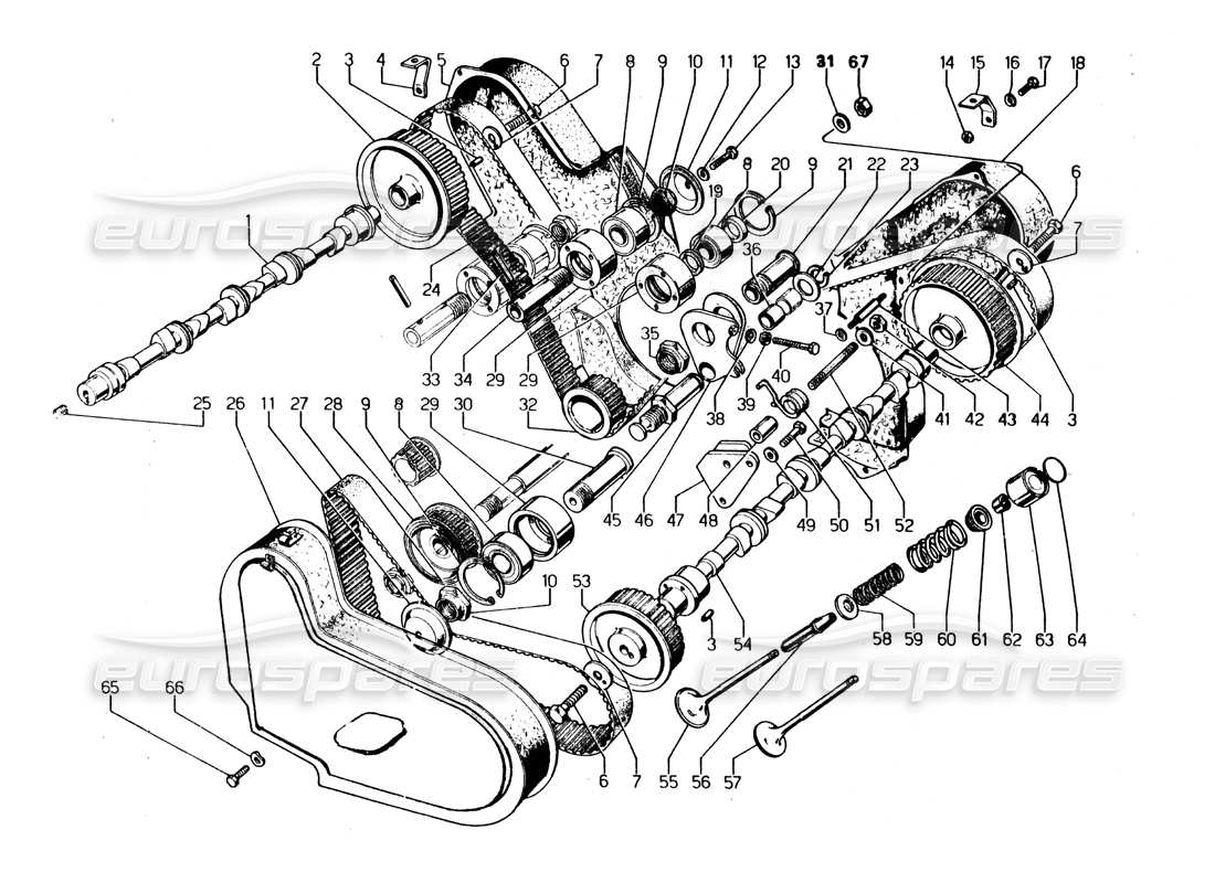
Reach out to our approachable, knowledgeable staff if you need any information about Lamborghini Urraco parts. Our massive parts range for sale includes switches and gauges from the dashboard interior, filters and fittings from the oil pump, a complete Urraco clutch kit and so much more.
We have one of the largest ranges of genuine and OEM Lamborghini parts online. Our warehouses are full of spare parts, with each part catalogued by Manufacturer Part Number (MPN). We can advise you on any part available, from routine maintenance and service items to body panels and restoration project shopping lists.
Choose your model above to view the parts catalogue and online part diagrams to locate the exact part you need. Alternately browse a range of selected in stock parts in our growing parts showcase.
For over 40 years we have been handling and supplying the full range of Lambo parts. We also have had hands on experience with the iconic Urraco thanks to our internal car dismantling service. This is when our part technicians get up close and personal with an end of live exotic and passionately strip the car of all functional working parts. To view details and photos of the Lamborghinis we have parted out please visit our used Lamborghini parts page.
Once you have found the Urraco parts you need, the next step is for us to get them delivered to you as quickly possible. For parts in stock, we offer next-day delivery to the UK, USA, France, Germany, and Italy. Deliveries to Australia, Dubai, Japan, and other countries are completed in as little as two days.
Each order is professionally packaged by our team of supercar enthusiasts who use only the highest-quality materials, ensuring that your valuable parts are protected throughout their journey. We can safely pack any part, from the smallest ECU and actuator to complete body shells and windscreens.
Furthermore, our dedicated team of parts experts is available to provide comprehensive support and after-sales service. Whether you need assistance with part handling, fitment, or need help sourcing related parts, we are here to assist you every step of the way.
The Eurospares team has been shipping luxury car parts and accessories to customers all over the world since 1985. Our huge range of stock and wealth of experience keep customers coming back to buy parts from us again and again. We are proud of the reputation we have earned for quality and reliability. If you need any assistance please contact our team of part experts for a personalised professional service.