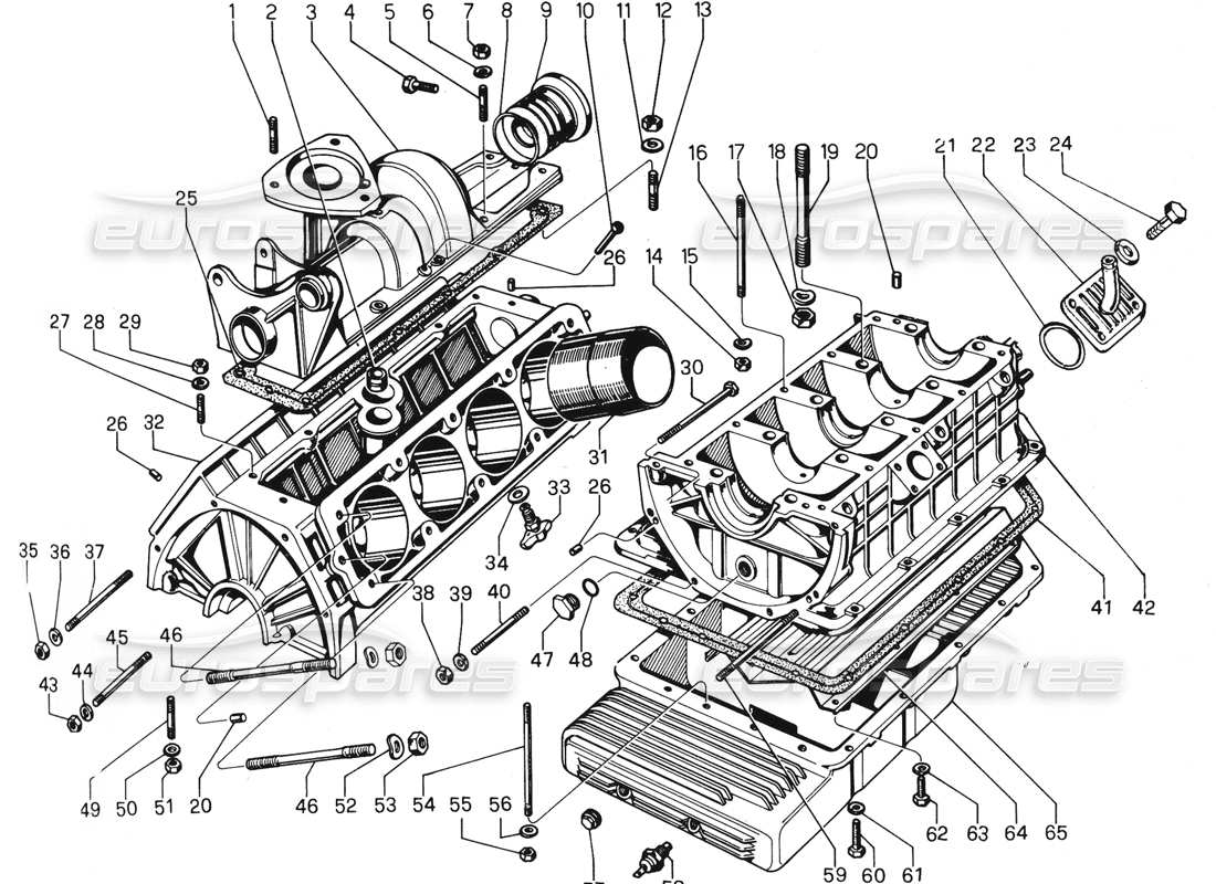
lamborghini urraco p300 cylinder block & sump parts diagram

011 - Cylinder Block & Sump

Lamborghini Urraco P300 Cylinder Block & Sump Parts Diagram

View the exploded parts diagram to find the part you are looking for
  • You can reposition the diagram by dragging it
  • You can zoom in and out of the diagram by scrolling, pinching, or using theandbuttons
  • You can reset the diagram using thebutton
View all the part pricing and availability information on the parts table to the rightbelow
  • You can click on a hotspot in the parts diagram to locate the part in the table
  • You can use the options filter, in the filter tab, to hide parts not relevant to your search
Switch between other part diagrams using theandbuttons, or use the diagram images below
We recommend viewing this page in landscape orientation for the best experience
Part Key
ST
Part in stock
PS
Available in a part set
SS
Part supersession in stock
PS
Available in a part set to order (subject to availability)
SO
Part available to order (subject to availability)
PK
Available in a part kit
                                                                                                                              #
                                                                                                                              Part number
                                                                                                                              Description
                                                                                                                              Price
                                                                                                                              # 001
                                                                                                                              MPN: 008300822
                                                                                                                              THREADED STUD
                                                                                                                              Supersession
                                                                                                                              Supersession
                                                                                                                              # 002
                                                                                                                              MPN: 001807864
                                                                                                                              RING
                                                                                                                              from £4.65
                                                                                                                              from £4.65
                                                                                                                              # 003
                                                                                                                              MPN: 001810798
                                                                                                                              COVER
                                                                                                                              from £13,481.24
                                                                                                                              from £13,481.24
                                                                                                                              # 004
                                                                                                                              MPN: 008100849
                                                                                                                              BOLT
                                                                                                                              from £5.15
                                                                                                                              from £5.15
                                                                                                                              # 005
                                                                                                                              MPN: 008300808
                                                                                                                              THREADED STUD
                                                                                                                              use : WHT003027
                                                                                                                              Supersession
                                                                                                                              Supersession
                                                                                                                              # 006
                                                                                                                              MPN: WHT001514
                                                                                                                              WASHER
                                                                                                                              from £16.46
                                                                                                                              from £16.46
                                                                                                                              This part replaces part number 008410805
                                                                                                                              # 007
                                                                                                                              MPN: 008200806
                                                                                                                              DADG
                                                                                                                              Supersession
                                                                                                                              Supersession
                                                                                                                              # 008
                                                                                                                              MPN: 008606205
                                                                                                                              GOMMINO DI TENUTA OLIO
                                                                                                                              from £2.90
                                                                                                                              from £2.90
                                                                                                                              This part replaces part number 008606201
                                                                                                                              # 009
                                                                                                                              MPN: 001806762
                                                                                                                              WATER PUMP SHAFT SUPPORT BUSH
                                                                                                                              from £213.45
                                                                                                                              from £213.45
                                                                                                                              # 010
                                                                                                                              MPN: 001111782
                                                                                                                              UNION
                                                                                                                              from £44.38
                                                                                                                              from £44.38
                                                                                                                              # 011
                                                                                                                              MPN: WHT000768
                                                                                                                              WASHER
                                                                                                                              from £1.43
                                                                                                                              from £1.43
                                                                                                                              This part replaces part number 008410806 - and 1 more. Click to view details
                                                                                                                              # 012
                                                                                                                              MPN: N10155210
                                                                                                                              NUT
                                                                                                                              from £0.86
                                                                                                                              from £0.86
                                                                                                                              This part replaces part number 008201001
                                                                                                                              # 013
                                                                                                                              MPN: 008301006
                                                                                                                              THREADED STUD
                                                                                                                              from £7.63
                                                                                                                              from £7.63
                                                                                                                              # 014
                                                                                                                              MPN: 008200805
                                                                                                                              NUT
                                                                                                                              from £0.51
                                                                                                                              from £0.51
                                                                                                                              # 015
                                                                                                                              MPN: WHT001514
                                                                                                                              WASHER
                                                                                                                              from £16.46
                                                                                                                              from £16.46
                                                                                                                              This part replaces part number 008410805
                                                                                                                              # 016
                                                                                                                              MPN: 008300810
                                                                                                                              STUD
                                                                                                                              from £8.88
                                                                                                                              from £8.88
                                                                                                                              # 017
                                                                                                                              MPN: 008201201
                                                                                                                              NUT
                                                                                                                              from £4.06
                                                                                                                              from £4.06
                                                                                                                              # 018
                                                                                                                              MPN: 008411302
                                                                                                                              WASHER
                                                                                                                              Supersession
                                                                                                                              Supersession
                                                                                                                              # 019
                                                                                                                              MPN: 008301208
                                                                                                                              THREADED STUD
                                                                                                                              from £10.54
                                                                                                                              from £10.54
                                                                                                                              # 020
                                                                                                                              MPN: 008851101
                                                                                                                              LOCATING DOWEL
                                                                                                                              from £25.38
                                                                                                                              from £25.38
                                                                                                                              # 021
                                                                                                                              MPN: 008605802
                                                                                                                              GOMMINO DI TENUTA
                                                                                                                              from £0.57
                                                                                                                              from £0.57
                                                                                                                              # 022
                                                                                                                              MPN: 001811832
                                                                                                                              COVER
                                                                                                                              from £73.51
                                                                                                                              from £73.51
                                                                                                                              # 023
                                                                                                                              MPN: 008410602
                                                                                                                              WASHER
                                                                                                                              from £30.76
                                                                                                                              from £30.76
                                                                                                                              # 024
                                                                                                                              MPN: 008100617
                                                                                                                              BOLT
                                                                                                                              from £3.98
                                                                                                                              from £3.98
                                                                                                                              # 025
                                                                                                                              MPN: 001812090
                                                                                                                              Guarnizione
                                                                                                                              from £32.83
                                                                                                                              from £32.83
                                                                                                                              # 026
                                                                                                                              MPN: 008850806
                                                                                                                              LOCATING DOWEL
                                                                                                                              Supersession
                                                                                                                              Supersession
                                                                                                                              # 027
                                                                                                                              MPN: 008300831
                                                                                                                              THREADED STUD
                                                                                                                              from £9.63
                                                                                                                              from £9.63
                                                                                                                              # 028
                                                                                                                              MPN: WHT001514
                                                                                                                              WASHER
                                                                                                                              from £16.46
                                                                                                                              from £16.46
                                                                                                                              This part replaces part number 008410805
                                                                                                                              # 029
                                                                                                                              MPN: 008200806
                                                                                                                              NUT
                                                                                                                              Supersession
                                                                                                                              Supersession
                                                                                                                              # 030
                                                                                                                              MPN: 008100816
                                                                                                                              BOLT
                                                                                                                              from £4.06
                                                                                                                              from £4.06
                                                                                                                              # 031
                                                                                                                              MPN: 001810802
                                                                                                                              CANNA CILINDRI
                                                                                                                              from £495.30
                                                                                                                              from £495.30
                                                                                                                              This part replaces part number 001808607
                                                                                                                              # 032
                                                                                                                              MPN: 001810791
                                                                                                                              Basamento cilindri
                                                                                                                              from £13,877.76
                                                                                                                              from £13,877.76
                                                                                                                              # 033
                                                                                                                              MPN: 001701905
                                                                                                                              WATER DRAIN TAP FROM THE BASE
                                                                                                                              from £71.11
                                                                                                                              from £71.11
                                                                                                                              # 034
                                                                                                                              MPN: 001701906
                                                                                                                              WASHER
                                                                                                                              Supersession
                                                                                                                              Supersession
                                                                                                                              # 035
                                                                                                                              MPN: N10155210
                                                                                                                              NUT
                                                                                                                              from £0.86
                                                                                                                              from £0.86
                                                                                                                              This part replaces part number 008201001
                                                                                                                              # 036
                                                                                                                              MPN: WHT000768
                                                                                                                              WASHER
                                                                                                                              from £1.43
                                                                                                                              from £1.43
                                                                                                                              This part replaces part number 008410806 - and 1 more. Click to view details
                                                                                                                              # 037
                                                                                                                              MPN: 008301008
                                                                                                                              STUD
                                                                                                                              from £7.22
                                                                                                                              from £7.22
                                                                                                                              # 038
                                                                                                                              MPN: 008200806
                                                                                                                              NUT
                                                                                                                              Supersession
                                                                                                                              Supersession
                                                                                                                              # 039
                                                                                                                              MPN: WHT001514
                                                                                                                              WASHER
                                                                                                                              from £16.46
                                                                                                                              from £16.46
                                                                                                                              This part replaces part number 008410805
                                                                                                                              # 040
                                                                                                                              MPN: 008300806
                                                                                                                              PRIQIONIERO
                                                                                                                              from £3.82
                                                                                                                              from £3.82
                                                                                                                              # 041
                                                                                                                              MPN: 001805998
                                                                                                                              GASKET
                                                                                                                              from £100.82
                                                                                                                              from £100.82
                                                                                                                              # 042
                                                                                                                              MPN: 001810792
                                                                                                                              SUPPORT
                                                                                                                              from £3,104.53
                                                                                                                              from £3,104.53
                                                                                                                              # 043
                                                                                                                              MPN: N10155210
                                                                                                                              NUT
                                                                                                                              from £0.86
                                                                                                                              from £0.86
                                                                                                                              This part replaces part number 008201001
                                                                                                                              # 044
                                                                                                                              MPN: WHT000768
                                                                                                                              WASHER
                                                                                                                              from £1.43
                                                                                                                              from £1.43
                                                                                                                              This part replaces part number 008410806 - and 1 more. Click to view details
                                                                                                                              # 045
                                                                                                                              MPN: 008301002
                                                                                                                              THREADED STUD
                                                                                                                              from £22.57
                                                                                                                              from £22.57
                                                                                                                              # 046
                                                                                                                              MPN: 008301222
                                                                                                                              THREADED STUD
                                                                                                                              from £11.86
                                                                                                                              from £11.86
                                                                                                                              # 047
                                                                                                                              MPN: 008300807
                                                                                                                              THREADED STUD
                                                                                                                              M8x50 UNI 5911-66A 8G
                                                                                                                              Supersession
                                                                                                                              Supersession
                                                                                                                              # 048
                                                                                                                              MPN: 008100603
                                                                                                                              TIULLONE
                                                                                                                              from £1.00
                                                                                                                              from £1.00
                                                                                                                              # 049
                                                                                                                              MPN: 008410603
                                                                                                                              LOCK WASHER
                                                                                                                              Supersession
                                                                                                                              Supersession
                                                                                                                              # 050
                                                                                                                              MPN: N01020717
                                                                                                                              BOLT
                                                                                                                              from £0.50
                                                                                                                              from £0.50
                                                                                                                              This part replaces part number 008100504
                                                                                                                              # 051
                                                                                                                              MPN: 008410502
                                                                                                                              WASHER
                                                                                                                              Supersession
                                                                                                                              Supersession
                                                                                                                              # 052
                                                                                                                              MPN: 008411101
                                                                                                                              WASHER
                                                                                                                              from £5.31
                                                                                                                              from £5.31
                                                                                                                              # 053
                                                                                                                              MPN: 008201101
                                                                                                                              NUT
                                                                                                                              from £36.21
                                                                                                                              from £36.21
                                                                                                                              # 054
                                                                                                                              MPN: 008300628
                                                                                                                              THREADED STUD
                                                                                                                              from £2.57
                                                                                                                              from £2.57
                                                                                                                              # 056
                                                                                                                              MPN: 00841062
                                                                                                                              WASHER
                                                                                                                              # 057
                                                                                                                              MPN: 008933203
                                                                                                                              PLUG
                                                                                                                              # 058
                                                                                                                              MPN: 001501333
                                                                                                                              TERMOCOPPIA TEMPRETURA OLIO
                                                                                                                              # 059
                                                                                                                              MPN: 008300807
                                                                                                                              THREADED STUD
                                                                                                                              M8x50 UNI 5911-66A 8G
                                                                                                                              Supersession
                                                                                                                              Supersession
                                                                                                                              # 060
                                                                                                                              MPN: 008100603
                                                                                                                              BOLT
                                                                                                                              from £0.94
                                                                                                                              from £0.94
                                                                                                                              # 061
                                                                                                                              MPN: 008410603
                                                                                                                              WASHER
                                                                                                                              Supersession
                                                                                                                              Supersession
                                                                                                                              # 062
                                                                                                                              MPN: N01020717
                                                                                                                              BOLT
                                                                                                                              from £0.50
                                                                                                                              from £0.50
                                                                                                                              This part replaces part number 008100504
                                                                                                                              # 063
                                                                                                                              MPN: 008410502
                                                                                                                              WASHER
                                                                                                                              Supersession
                                                                                                                              Supersession
                                                                                                                              # 064
                                                                                                                              MPN: 001811006
                                                                                                                              PARTIA SBATTIMENTO OLIO
                                                                                                                              # 065
                                                                                                                              MPN: 001810980
                                                                                                                              COPPA OLIO
                                                                                                                              from £359.13
                                                                                                                              from £359.13