Lamborghini Miura P400S Part Diagrams
Explore our online parts diagrams to find every accessory and spare part for your Lamborghini Miura P400S.
001
ENGINE

002
ENGINE

003
CRANKSAHFT - CONNECTING ROD

004
HEAD TIMING SYSTEM

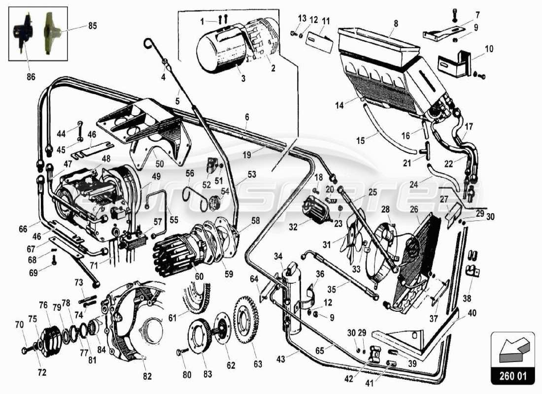
005
OIL FILTER

006
WATER COOLING SYSTEM

007
WATER COOLING SYSTEM

008
CLUTCH (MANUAL)

009
RH TANK

010
FUEL SYSTEM

011
EXHAUST SYSTEM (SV)

011A
EXHAUST SYSTEM (P400/S)

012
AIR CONDITIONING SYSTEM

013
AIR CONDITIONING SYSTEM

014
SHAFT ASSEMBLY

015
GEARBOX-REAR DIFFCASE

016
MECHANICAL ACTUATOR

017
GEARBOX SHIFTING RODS AND FORKS

018
REAR DIFF

019
FRONT ARMS

020
STEERING

021
STEERING RACK

022
REAR SUSPENSION

023
REAR SUSPENSION

024
TYRES

025
BRAKE SYSTEM

026
BRAKE SYSTEM

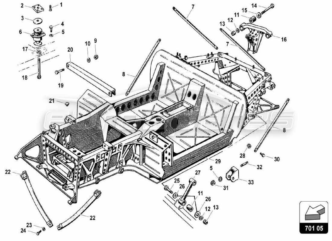
027
CENTER FRAME ELEMENTS

028
MANUAL TRANSMISSION CONTROLS

029
HAND BRAKE

030
BRAKE AND CLUTCH PEDAL

031
BODY

031A
BODY

032
BODY

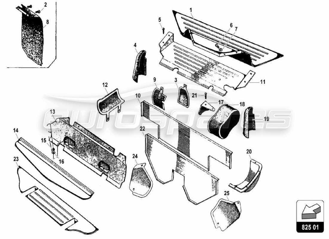
033
HEAT SHIELD

034
ELECTRICAL SYSTEM

035
LIGHTS

036