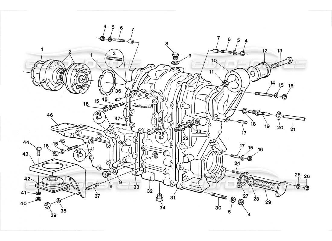
lamborghini lm002 (1988) transfer (castings) parts diagram

018 - Transfer (Castings)

Lamborghini LM002 (1988) Transfer (Castings) Parts Diagram

View the exploded parts diagram to find the part you are looking for
  • You can reposition the diagram by dragging it
  • You can zoom in and out of the diagram by scrolling, pinching, or using theandbuttons
  • You can reset the diagram using thebutton
View all the part pricing and availability information on the parts table to the rightbelow
  • You can click on a hotspot in the parts diagram to locate the part in the table
  • You can use the options filter, in the filter tab, to hide parts not relevant to your search
Switch between other part diagrams using theandbuttons, or use the diagram images below
We recommend viewing this page in landscape orientation for the best experience
Part Key
ST
Part in stock
PS
Available in a part set
SS
Part supersession in stock
PS
Available in a part set to order (subject to availability)
SO
Part available to order (subject to availability)
PK
Available in a part kit
      #
      Part number
      Description
      Price
      # 001
      MPN: 002726210
      GASKET
      Guarnizione
      from £10.61
      from £10.61
      # 002
      MPN: 002723295
      SHAFT
      TREE 0.153.15.01.72.001
      # 003
      MPN: 008301021
      STUD
      PRIGIONIERO
      from £15.59
      from £15.59
      # 004
      MPN: N10155210
      NUT
      Dado M10 UNI 5588-65A 8G
      from £0.86
      from £0.86
      This part replaces part number 008201001
      # 005
      MPN: WHT000768
      LOCK WASHER
      from £1.32
      from £1.32
      This part replaces part number 008410806 - and 1 more. Click to view details
      # 006
      MPN: 008301023
      STUD
      PRIGIONIERO
      from £15.59
      from £15.59
      # 007
      MPN: 0088S1502
      DOWEL
      GRAND
      # 008
      MPN: 008931201
      PLUG
      TAPPO 0.12X1,25X9 OIL 5S
      from £24.64
      from £24.64
      # 009
      MPN: WHT003362
      WASHER
      ROND. D. 12X22X1 ,5 RAME
      from £0.97
      from £0.97
      # 010
      MPN: 002721703
      COVER
      COPERCHIO D/PORTAM.X SUPP.TR.C
      from £1,273.66
      from £1,273.66
      # 011
      MPN: 008201414
      NUT
      DADO AUTOBL.C40 NON SON. 14X1, 5
      from £14.10
      from £14.10
      # 012
      MPN: 0B9501144
      SILENTBLOC
      from £108.00
      from £108.00
      This part replaces part number 008921408 - and 1 more. Click to view details
      # 013
      MPN: 008101411
      BOLT
      BULLONE
      Supersession
      Supersession
      # 014
      MPN: 006300812
      STUD
      PRIGIONIERO
      # 015
      MPN: WHT001514
      LOCK WASHER
      Ros. el. 8,4X17X0,8
      from £16.46
      from £16.46
      This part replaces part number 008410805
      # 016
      MPN: 008200806
      NUT
      Dado MS UNI 558B-65/8G
      Supersession
      Supersession
      # 017
      MPN: 008300859
      STUD
      PRIGIONIERO
      from £35.17
      from £35.17
      # 018
      MPN: WHT003362
      WASHER
      ROND.D. 12X22X1 ,5 RAME
      from £0.99
      from £0.99
      # 019
      MPN: 002721857
      UNION
      COMPLESS.RACCORDO X SFIATO OLI
      # 020
      MPN: 008830903
      CLIP
      BAND FA 1518
      from £8.21
      from £8.21
      # 021
      MPN: 002721833
      PIPE
      TUBO COLLEGAM.T.E. A TUBO RIGID
      from £34.65
      from £34.65
      # 022
      MPN: 002424682
      NIPPLE
      NIPPLO SUL RADIAT.OLIO CAMBIO
      from £2.35
      from £2.35
      # 023
      MPN: 008401621
      WASHER
      RONDELLA RAME RIC . D . 22X 1 6 , 1 X1 ,
      Supersession
      Supersession
      # 024
      MPN: 008300636
      STUD
      PRIGIONIERO
      from £9.63
      from £9.63
      # 025
      MPN: WHT001197
      LOCK WASHER
      RONDELLA DI FERMO DIN 137/B
      Supersession
      Supersession
      # 026
      MPN: N01100637
      NUT
      DADO M6 UNI 5588-65/8G
      from £0.53
      from £0.53
      This part replaces part number 008200604
      # 027
      MPN: 002721752
      GASKET
      Guarnizione
      from £19.32
      from £19.32
      # 028
      MPN: 008602801
      O RING
      ANELLO OR 41 12
      from £2.62
      from £2.62
      # 029
      MPN: 002721749
      FILTER
      FILTRO X POMPA OLIO
      # 030
      MPN: 008301022
      STUD
      PRIGIONIERO
      from £8.21
      from £8.21
      This part replaces part number 008301032
      # 031
      MPN: 002725972
      REAR CASE
      CORPO POSTERIORE TR . CASE
      from £3,175.23
      from £3,175.23
      # 032
      MPN: 002725973
      INTERM.CASE
      CORPO INTERMEDIO TR.CASE
      # 033
      MPN: 002725974
      FRONT CASE
      CORPO ANT. RIDUTTORE
      # 034
      MPN: 086301141A
      PLUG
      TAPPO MAGNET. 22X1 ,5
      from £24.42
      from £24.42
      This part replaces part number TN-03165
      # 035
      MPN: 008851202
      DOWEL
      GRAND
      from £1.99
      from £1.99
      # 036
      MPN: 008850607
      DOWEL
      GRAND SCAT. CAMBIO
      from £4.06
      from £4.06
      # 037
      MPN: 008301020
      STUD
      PRISONER 10X1,5X20 10,0
      from £42.44
      from £42.44
      # 038
      MPN: 008411005
      WASHER
      RONDEL. AID, 5 UNI 1751
      from £0.51
      from £0.51
      # 039
      MPN: N10155210
      NUT
      Dado M10 UNI 5588-65A 8G
      from £0.86
      from £0.86
      This part replaces part number 008201001
      # 040
      MPN: 008200806
      NUT
      DADO M8 UNI 5588-65/8G
      Supersession
      Supersession
      # 041
      MPN: 008410806
      LOCK WASHER
      ROND. EL. A8, 4 UNI 1751
      Supersession
      Supersession
      # 042
      MPN: 005121632
      BUSH
      BOCCOLA EL.FLESS.X ATTACCO AMM
      from £43.40
      from £43.40
      # 043
      MPN: 002721750
      MOUNTING
      SUPPORTO
      # 044
      MPN: 008100840
      BOLT
      BULL.M8X18 UNI 5739/8G
      from £0.51
      from £0.51
      # 045
      MPN: 008300803
      STUD
      PRIGIONIERO
      from £8.24
      from £8.24
      # 046
      MPN: 002722872
      COVER
      COPERCHIO SUPP. LEVA COM.TRAZIO
      from £1,351.09
      from £1,351.09
      # 047
      MPN: 002722088
      COVER
      COPERCHIO INGR.RIDUTT.EPICICLO
      # 048
      MPN: 008300859
      STUD
      PRIGIONIERO
      from £35.17
      from £35.17