lamborghini jalpa 3.5 (1984) fuel system parts diagram

041 - fuel system

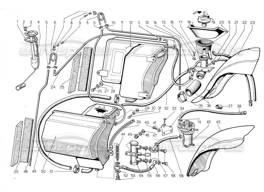
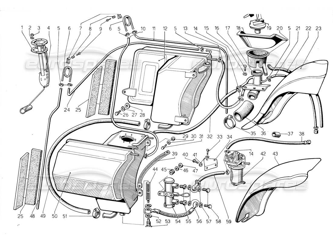
Lamborghini Jalpa 3.5 (1984) Fuel System Parts Diagram

View the exploded parts diagram to find the part you are looking for
  • You can reposition the diagram by dragging it
  • You can zoom in and out of the diagram by scrolling, pinching, or using theandbuttons
  • You can reset the diagram using thebutton
View all the part pricing and availability information on the parts table to the rightbelow
  • You can click on a hotspot in the parts diagram to locate the part in the table
  • You can use the options filter, in the filter tab, to hide parts not relevant to your search
Switch between other part diagrams using theandbuttons, or use the diagram images below
We recommend viewing this page in landscape orientation for the best experience
Part Key
ST
Part in stock
PS
Available in a part set
SS
Part supersession in stock
PS
Available in a part set to order (subject to availability)
SO
Part available to order (subject to availability)
PK
Available in a part kit
#
Part number
Description
Price
# 001
MPN: 006205360
GASKET
Guam, reost. gall. 39094601
from £49.32
from £49.32
# 002
MPN: 008410404
LOCK WASHER
ROND. EL. 4 UNI 3704
from £0.78
from £0.78
# 003
MPN: N01100412
NUT
DADO M4 UNI 5587-65/55
from £0.47
from £0.47
This part replaces part number 008200401
# 004
MPN: 006205411
FUEL SENDER
Reostato gallegg. benz./U
from £112.19
from £112.19
This part replaces part number 006203181 - and 1 more. Click to view details
# 005
MPN: 008830901
CLAMP RING
Fasc. royal 0000/9
from £4.39
from £4.39
# 006
MPN: 006220228
PIGTAIL
Coda porco x scarico gas dai serbatoi
from £24.64
from £24.64
# 007
MPN: 008830111
JUBILEE CLIP
Fascetta tub. cilindr.
# 008
MPN: 006220233
SHEATING
Prot. x coda porco neH'impianto di sfiato
# 009
MPN: 008700413
SCREW
Vite Knipp 0.4,2x12,7
from £3.98
from £3.98
# 010
MPN: 006220232
PIGT SHEAT
Tank breather hose left pig-tailed D6X
# 011
MPN: 006220229
EXH PIPE
Tubo sfiato da coda porco alia dex. a terra
# 012
MPN: 006220221
R FUEL TANK
Serbatoio benzina dex.
from £1,457.97
from £1,457.97
# 013
MPN: 006208728
PIPE
Tubo sfiato serb. sin./U
from £3.49
from £3.49
# 014
MPN: 008830903
CLAMP
Clamp Tubi
from £8.21
from £8.21
# 015
MPN: 008400607
WASHER
Rond. 6.5x18x1,5
Supersession
Supersession
# 016
MPN: 008100506
Bolt
Bull. M5x14 UNI 5739-65/A8G
from £6.97
from £6.97
# 017
MPN: 006211030
FILL PIPE
Tank filling hose
from £115.50
from £115.50
# 018
MPN: 006220327
RESERVOIR
Fuel filler tray
from £40.24
from £40.24
# 019
MPN: 006220985
TANK PLUG
Fuel tank cap with key
from £35.76
from £35.76
# 020
MPN: 006208726
BOOT
Cuffia bocch. serb. benz./U
from £20.15
from £20.15
# 021
MPN: 006220772
RECIRC PIPE
Compl. tubo ricircolo benz. nel serb.
from £18.75
from £18.75
# 022
MPN: 006209751
PIPE
Tubo scar, cuffia bocch. /U
# 023
MPN: 006220275
TANK GUARD
Paratia copriserbatoio dex.
from £116.89
from £116.89
# 024
MPN: 006220230
PIGTAIL
Right breather pipe left pig tail
from £29.12
from £29.12
# 025
MPN: 006220834
TANK GUARD
Prot. int. x serb. benzina
# 026
MPN: 008100809
Bolt
Bull M8x22 UNI 5739/8G
from £1.74
from £1.74
# 027
MPN: WHT001514
LOCK WASHER
Ros. el. 8,4x17x0,8
from £17.62
from £17.62
This part replaces part number 008410805
# 028
MPN: 008400801
WASHER
Rond. 8,4 UNI 1734 8G
Supersession
Supersession
# 029
MPN: 008200804
NUT
Dado N/70 108M
from £0.81
from £0.81
# 030
MPN: WHT001942
WASHER
Rond. 0.8,5x32x2,5
from £2.39
from £2.39
# 031
MPN: 008100827
Bolt
Bull. M8X25 UNI 5739/8G
Supersession
Supersession
# 032
MPN: 006208729
PIPE
Tubo sfiato serb. des./U
from £15.26
from £15.26
# 033
MPN: 008100630
Bolt
Bull. M6x14 UNI 5739-65/A8G
from £0.53
from £0.53
# 034
MPN: 006210989
SUPPOR
Supp. filtro benz./U
from £36.75
from £36.75
# 035
MPN: 008835004
CLAMP RING
Fasc. royal A/12 32/52
from £7.14
from £7.14
This part replaces part number 008830201
# 036
MPN: 006220218
SLEEVE
Manic, coll tubo riempi serbatoi
from £196.53
from £196.53
# 037
MPN: 006208736
SHIELO
Protez. tubo filtro/mot./U
from £7.88
from £7.88
# 038
MPN: 006220772
RECIRC PIPE
Compl. tubo x ricircolo benzina
from £18.75
from £18.75
# 039
MPN: 001304420
CABLE
Fuel pump ground cable
from £2.23
from £2.23
# 040
MPN: 008100613
Bolt
Bull. M6x10 UNI 5739 5S
from £0.51
from £0.51
# 041
MPN: 008410602
LOCK WASHER
Ros. el. 6,4x12x0,5
from £32.92
from £32.92
# 042
MPN: 006220011
FUEL FILTER
Complete filter with Bowl.
from £190.10
from £190.10
# 043
MPN: 006220276
TANK GUARD
Paratia copriserbatoio sin.
from £116.89
from £116.89
# 044
MPN: 001303074
PUMP FILTER
Filtro race, aspir.
from £395.00
from £395.00
# 045
MPN: 008610701
SEAL RING
Gommino 0.7x13x10
from £20.24
from £20.24
# 046
MPN: 008400607
WASHER
Rond. 6,5x18x1,5
Supersession
Supersession
# 047
MPN: N01100637
NUT
DADO M6 UNI 5588-65/8G
from £0.53
from £0.53
This part replaces part number 008200604
# 048
MPN: 006220231
PIGTAIL
Left pig tail breather pipe. to the ground
# 049
MPN: 006208730
PIPE
Tubo colleg. serb./U
from £224.38
from £224.38
# 050
MPN: 006220222
FUEL TANK
Left fuel tank
from £1,457.97
from £1,457.97
# 051
MPN: 008833501
CLAMP RING
Fasc. N. schellen 535/1 5SKZ
from £6.97
from £6.97
# 052
MPN: 008401804
WASHER
ROND. RAME 18,2x30x1
from £3.32
from £3.32
# 053
MPN: 001303057
Bolt
Bull. race. asp. benzina
from £232.47
from £232.47
# 054
MPN: 001304213
fuel pump
USE 100245
from £295.00
from £295.00
# 055
MPN: 001304214
UNION
Race, pompa benzina
from £8.38
from £8.38
# 056
MPN: 006208727
PIPE
Tubo fless. serb. /pompa benzina
from £18.75
from £18.75
# 057
MPN: 001301474
GASKET
Guarniz. fibra 14x10x2
from £2.57
from £2.57
# 058
MPN: 001304211
SCREW
Vite race, pompa benz.
from £8.21
from £8.21
# 059
MPN: 006210974
FUEL PUMP P
Tubo pompa/filtro benz./U
from £42.07
from £42.07