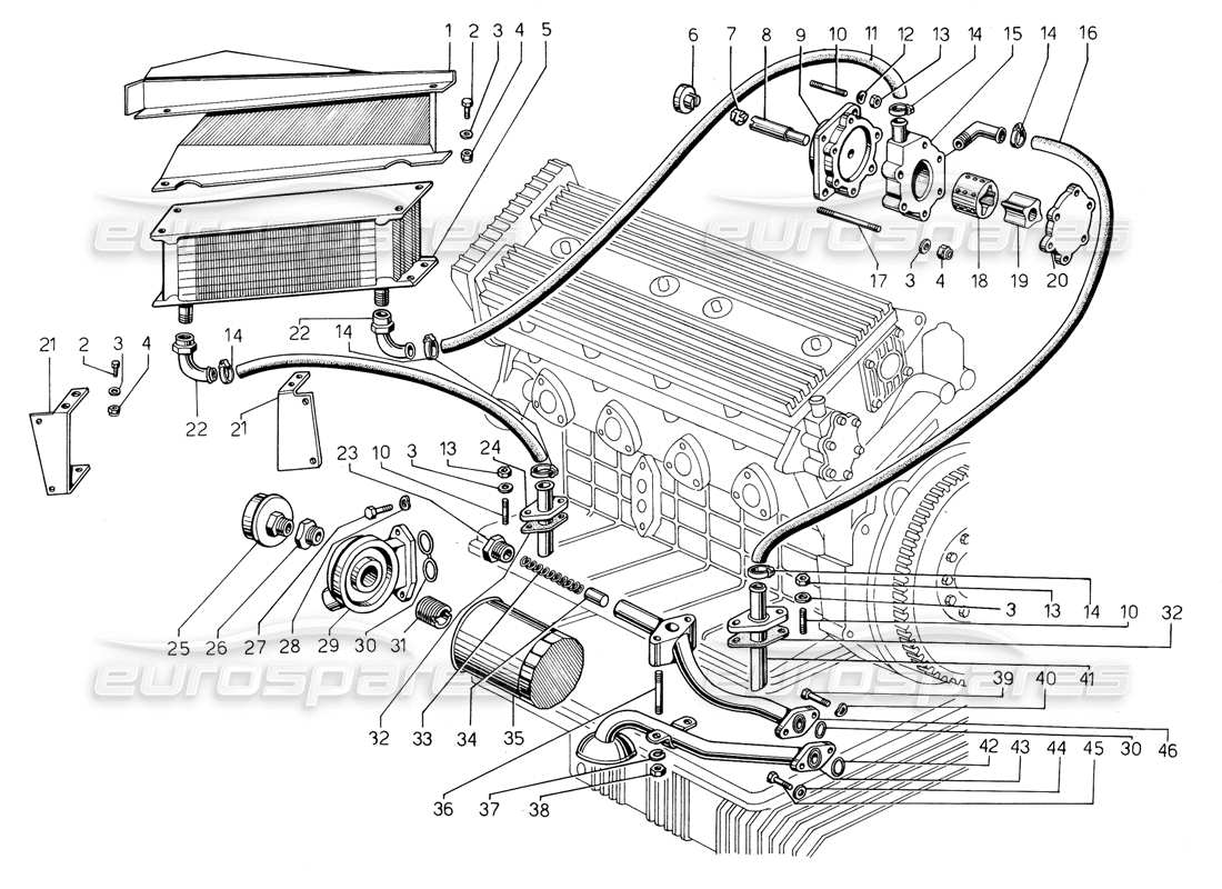
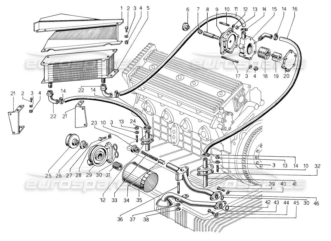
lamborghini jalpa 3.5 (1984) oil pump and system parts diagram

007 - oil pump and system

Lamborghini Jalpa 3.5 (1984) Oil Pump and System Parts Diagram

View the exploded parts diagram to find the part you are looking for
  • You can reposition the diagram by dragging it
  • You can zoom in and out of the diagram by scrolling, pinching, or using theandbuttons
  • You can reset the diagram using thebutton
View all the part pricing and availability information on the parts table to the rightbelow
  • You can click on a hotspot in the parts diagram to locate the part in the table
  • You can use the options filter, in the filter tab, to hide parts not relevant to your search
Switch between other part diagrams using theandbuttons, or use the diagram images below
We recommend viewing this page in landscape orientation for the best experience
Part Key
ST
Part in stock
PS
Available in a part set
SS
Part supersession in stock
PS
Available in a part set to order (subject to availability)
SO
Part available to order (subject to availability)
PK
Available in a part kit
#
Part number
Description
Price
# 001
MPN: 007853002
AIRCONVEYOR
Convogl. aria x radiators olio
from £133.11
from £133.11
# 002
MPN: 008100625
BOLT
Bull. M6x16 UNI 5739/8G
from £76.44
from £76.44
# 003
MPN: 008400606
WASHER
Rond. 6,4 UNI 1734
Supersession
Supersession
# 004
MPN: 008200606
NUT
DADO N/70/106M
Supersession
Supersession
# 005
MPN: 001520345
OILRADIATOR
RADIATORE OLIO
from £1,205.79
from £1,205.79
# 006
MPN: 001520326
JOINT
Innesto su asse a camme x giunto acroce
from £25.16
from £25.16
# 007
MPN: 001520335
CROSS COMPL.
GIUNTO A CROCE
from £18.12
from £18.12
# 008
MPN: 001520340
ROTORSHAFT
Albero x rotore interne
from £25.08
from £25.08
# 009
MPN: 001520311
OILPUMP SUP
Supp. corpo pompa olio bassa press
from £81.09
from £81.09
# 010
MPN: 008300604
BOLT
Prig. M6x13 ric. UNI 5914 8G
from £12.29
from £12.29
# 011
MPN: 001520632
PIPE
Tubo coll. pompa bassa press, a radiat
from £64.80
from £64.80
# 012
MPN: WHT001197
LOCK WASHER
Ros. el. 6,4x12x0,5
Supersession
Supersession
# 013
MPN: 008200601
NUT
DADO M6 UNI 5588-65/A
from £2.28
from £2.28
# 014
MPN: 008830206
CLAMP RING
FASC. ROYAL 00/12 18/30
from £12.70
from £12.70
# 015
MPN: 001520827
PUMP, HOUSNG
Compl. corpo pompa olio bassa press.
from £225.63
from £225.63
# 016
MPN: 001520633
PIPE
Tubo coll. dalla coppa A pompa B press.
from £36.88
from £36.88
# 017
MPN: 008300646
BOLTS
PRIGIONIERO
# 018
MPN: 001520320
BREAKER
External rotor oil pump
from £253.19
from £253.19
# 019
MPN: 001520325
ROTOR NIS
Rotore int. pompa olio
from £253.19
from £253.19
# 020
MPN: 001520319
O. PUMP COVE
COPERCHIO POMPA OLIO
from £24.75
from £24.75
# 021
MPN: 001520299
RAD BRACKET
Staffa interm. fiss. radiatore olio
from £28.66
from £28.66
# 022
MPN: 001520634
RAD UNION
Raccordo x radiatore olio
from £332.15
from £332.15
# 023
MPN: 001507628
VALVE PLUG
Tappo valv. press. olio/U
from £12.05
from £12.05
# 024
MPN: 001820625
OIL SUCKER
Compl. pescante da coppa olio a radiators
from £35.42
from £35.42
# 025
MPN: 001508565
PRESSU SEND.
Trasm. press, olio
from £1,189.44
from £1,189.44
This part replaces part number 001501494
# 026
MPN: 001806009
PRESS FITTI
Riduz. trasm. press. olio/U
from £17.01
from £17.01
# 027
MPN: 008100830
BOLT
Bull. M8x20 UNI 5739/8G
Supersession
Supersession
# 028
MPN: WHT001514
LOCK WASHER
Ros. el. 8,4x17x0,8
from £15.69
from £15.69
This part replaces part number 008410805
# 029
MPN: 001512706
SUPPOR
Supp. filtro olio/U
from £100.14
from £100.14
# 030
MPN: 008602301
SEAL RING
ANELLO OR 2093
from £1.18
from £1.18
# 031
MPN: 001505918
FILTER BUSCH
Bussola fermo filtro olio
from £26.99
from £26.99
# 032
MPN: 001820626
SUCKGASKET
Guam, x pescante olio sul sottobasamento
from £8.51
from £8.51
# 033
MPN: 001500927
SPRING
Molla valv. press, olio '
from £8.63
from £8.63
# 034
MPN: 001810982
VALVE PISTO
Pist. valv. press. olio/U
from £26.66
from £26.66
# 035
MPN: 001505914
OIL FILTER
(UFI)
from £31.09
from £31.09
# 036
MPN: 008300807
THREADED STUD
M8x50 UNI 5911-66A 8G
Supersession
Supersession
# 037
MPN: 008410806
LOCK WASHER
Rond. EL. A8,4 UNI 1751
Supersession
Supersession
# 038
MPN: 008200806
NUT
DADO M8 UNI 5588-65/8G
Supersession
Supersession
# 039
MPN: 008100629
BOLT
Bull M6x22 UNI 5739/8G
from £0.53
from £0.53
# 040
MPN: 008410602
LOCK WASHER
Ros. el. 6,4x12x0,5
from £28.01
from £28.01
# 041
MPN: 001820624
OIL PIPE
Complete oil return pipe to sump
from £16.20
from £16.20
# 042
MPN: 008603101
SEAL RING
ANELLO OR 2125
from £2.36
from £2.36
# 043
MPN: 001811008
GASKET PIPE
Tubo aspiraz. olio/U
from £39.77
from £39.77
# 044
MPN: 008410603
LOCK WASHER
Rond. A6,4 UNI 1761 C72
Supersession
Supersession
# 045
MPN: 008100618
BOLT
Bull. M6x20 UNI 5739-8G
Supersession
Supersession
# 046
MPN: 001810981
PRESSU REGU
Corpo Reg. Press. olio/U x
from £652.09
from £652.09