ferrari testarossa (1990) current generation parts diagram

056 - Current Generation

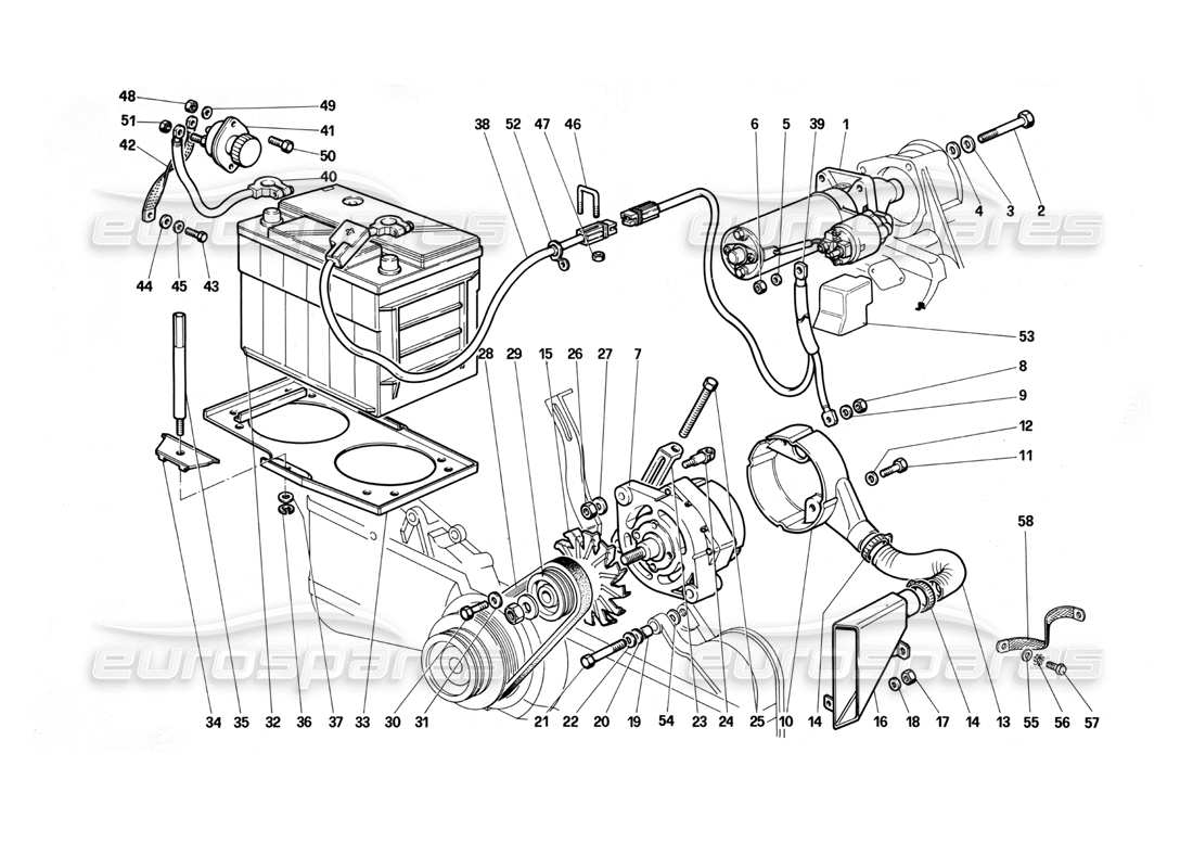
Ferrari Testarossa (1990) Current Generation Parts Diagram

View the exploded parts diagram to find the part you are looking for
  • You can reposition the diagram by dragging it
  • You can zoom in and out of the diagram by scrolling, pinching, or using theandbuttons
  • You can reset the diagram using thebutton
View all the part pricing and availability information on the parts table to the rightbelow
  • You can click on a hotspot in the parts diagram to locate the part in the table
  • You can use the options filter, in the filter tab, to hide parts not relevant to your search
Switch between other part diagrams using theandbuttons, or use the diagram images below
We recommend viewing this page in landscape orientation for the best experience
Part Key
ST
Part in stock
PS
Available in a part set
SS
Part supersession in stock
PS
Available in a part set to order (subject to availability)
SO
Part available to order (subject to availability)
PK
Available in a part kit
                                                                                                        #
                                                                                                        Part number
                                                                                                        Description
                                                                                                        Price
                                                                                                        # 001
                                                                                                        MPN: 120967
                                                                                                        STARTER MOTOR
                                                                                                        from £809.47
                                                                                                        from £809.47
                                                                                                        # 002
                                                                                                        MPN: 104189
                                                                                                        STARTER SECURING SCREW
                                                                                                        from £29.96
                                                                                                        from £29.96
                                                                                                        This part replaces part number 95565 - and 1 more. Click to view details
                                                                                                        # 003
                                                                                                        MPN: 11198074
                                                                                                        WASHER
                                                                                                        from £0.54
                                                                                                        from £0.54
                                                                                                        This part replaces part number 11198071 which we have in stock - and 4 more. Click to view details
                                                                                                        # 004
                                                                                                        MPN: 10519621
                                                                                                        FLAT WASHER
                                                                                                        Supersession
                                                                                                        Supersession
                                                                                                        # 005
                                                                                                        MPN: 102683
                                                                                                        SPACER
                                                                                                        from £10.44
                                                                                                        from £10.44
                                                                                                        This part replaces part number 95301
                                                                                                        # 006
                                                                                                        -
                                                                                                        NUT
                                                                                                        # 007
                                                                                                        MPN: 144096
                                                                                                        ALTERNATOR (DELCO)
                                                                                                        from £900.00
                                                                                                        from £900.00
                                                                                                        This part replaces part number 125891 - and 1 more. Click to view details
                                                                                                        # 008
                                                                                                        MPN: 10725911
                                                                                                        ALTERNATOR CABLES SECURING NUT
                                                                                                        Supersession
                                                                                                        Supersession
                                                                                                        This part replaces part number 95900403
                                                                                                        # 009
                                                                                                        MPN: 12601271
                                                                                                        WASHER
                                                                                                        Supersession
                                                                                                        Supersession
                                                                                                        This part replaces part number 103372 - and 1 more. Click to view details
                                                                                                        # 010
                                                                                                        MPN: 125574
                                                                                                        AIR CONVEYOR
                                                                                                        Not for CAT. - Until car no. 84951
                                                                                                        from £90.18
                                                                                                        from £90.18
                                                                                                        # 010
                                                                                                        MPN: 143081
                                                                                                        AIR CONVEYOR
                                                                                                        For CAT. - Until car no. 84951
                                                                                                        from £90.81
                                                                                                        from £90.81
                                                                                                        # 010
                                                                                                        MPN: 144772
                                                                                                        AIR CONVEYOR
                                                                                                        Starting car no. 84952
                                                                                                        from £395.85
                                                                                                        from £395.85
                                                                                                        # 011
                                                                                                        MPN: 123295
                                                                                                        SCREW
                                                                                                        from £0.47
                                                                                                        from £0.47
                                                                                                        # 012
                                                                                                        MPN: 12601471
                                                                                                        WASHER
                                                                                                        Supersession
                                                                                                        Supersession
                                                                                                        # 013
                                                                                                        MPN: 123296
                                                                                                        CONVEYOR FLEXIBLE HOSE
                                                                                                        Until engine no.
                                                                                                        from £87.15
                                                                                                        from £87.15
                                                                                                        # 013
                                                                                                        MPN: 144770
                                                                                                        CONVEYOR FLEXIBLE HOSE
                                                                                                        Starting engine no.
                                                                                                        from £325.50
                                                                                                        from £325.50
                                                                                                        # 014
                                                                                                        MPN: 296782
                                                                                                        CLAMP
                                                                                                        from £5.19
                                                                                                        from £5.19
                                                                                                        This part replaces part number 12174090
                                                                                                        # 015
                                                                                                        MPN: 121282
                                                                                                        FAN .
                                                                                                        from £49.17
                                                                                                        from £49.17
                                                                                                        # 016
                                                                                                        MPN: 124178
                                                                                                        AIR-DELIVERY HOSE
                                                                                                        Until engine no.
                                                                                                        from £60.77
                                                                                                        from £60.77
                                                                                                        # 016
                                                                                                        MPN: 144771
                                                                                                        AIR-DELIVERY HOSE
                                                                                                        Starting engine no.
                                                                                                        from £77.77
                                                                                                        from £77.77
                                                                                                        # 018
                                                                                                        MPN: 160957
                                                                                                        WASHER
                                                                                                        from £0.47
                                                                                                        from £0.47
                                                                                                        This part replaces part number 10615476
                                                                                                        # 019
                                                                                                        MPN: 123172
                                                                                                        BUSHING ON RH CRANKCASE COVER
                                                                                                        from £1.29
                                                                                                        from £1.29
                                                                                                        # 020
                                                                                                        MPN: 12638601
                                                                                                        WASHER
                                                                                                        from £0.54
                                                                                                        from £0.54
                                                                                                        This part replaces part number 20232104
                                                                                                        # 021
                                                                                                        MPN: 15971821
                                                                                                        SCREW
                                                                                                        from £3.45
                                                                                                        from £3.45
                                                                                                        # 022
                                                                                                        MPN: 127497
                                                                                                        WASHER
                                                                                                        from £0.54
                                                                                                        from £0.54
                                                                                                        This part replaces part number 10516871 - and 2 more. Click to view details
                                                                                                        # 023
                                                                                                        MPN: 123173
                                                                                                        ALTERNATOR BRACKET
                                                                                                        from £39.77
                                                                                                        from £39.77
                                                                                                        # 024
                                                                                                        MPN: 123193
                                                                                                        THREADED PIN
                                                                                                        from £9.24
                                                                                                        from £9.24
                                                                                                        # 025
                                                                                                        MPN: 125668
                                                                                                        VOLTAGE REGULATING SCREW
                                                                                                        from £4.79
                                                                                                        from £4.79
                                                                                                        # 026
                                                                                                        MPN: 104030
                                                                                                        SELF LOCKING NUT
                                                                                                        from £0.54
                                                                                                        from £0.54
                                                                                                        This part replaces part number 16104125
                                                                                                        # 027
                                                                                                        MPN: 14496501
                                                                                                        WASHER
                                                                                                        from £0.92
                                                                                                        from £0.92
                                                                                                        # 028
                                                                                                        MPN: 127132
                                                                                                        ALTERNATOR CONTROL BELT (CONTINENTAL)
                                                                                                        For damper no. 125194
                                                                                                        from £23.10
                                                                                                        from £23.10
                                                                                                        This part replaces part number 124395 - and 1 more. Click to view details
                                                                                                        # 028
                                                                                                        MPN: 199820
                                                                                                        ALTERNATOR BELT
                                                                                                        (replaces: 133262)
                                                                                                        from £8.75
                                                                                                        from £8.75
                                                                                                        This part replaces part number 133262
                                                                                                        # 029
                                                                                                        MPN: 125910
                                                                                                        PULLEY
                                                                                                        For control belt no. 127132
                                                                                                        from £206.08
                                                                                                        from £206.08
                                                                                                        # 029
                                                                                                        MPN: 134147
                                                                                                        PULLEY (4 GROOVES TYPE)
                                                                                                        For control belt no. 133294 - 133262
                                                                                                        from £70.03
                                                                                                        from £70.03
                                                                                                        # 030
                                                                                                        MPN: 15970921
                                                                                                        BRACKET SECURING SCREW
                                                                                                        from £0.53
                                                                                                        from £0.53
                                                                                                        # 031
                                                                                                        MPN: 127497
                                                                                                        WASHER
                                                                                                        from £0.54
                                                                                                        from £0.54
                                                                                                        This part replaces part number 10516871 - and 2 more. Click to view details
                                                                                                        # 032
                                                                                                        MPN: 118060
                                                                                                        1 2 V - 66 AH - 300 A BATTERY
                                                                                                        Supersession
                                                                                                        Supersession
                                                                                                        # 033
                                                                                                        MPN: 125333
                                                                                                        BATTERY SUPPORT PLATE
                                                                                                        from £53.15
                                                                                                        from £53.15
                                                                                                        This part replaces part number 64675600
                                                                                                        # 034
                                                                                                        MPN: 62573400
                                                                                                        BATTERY SECURING BRACKET
                                                                                                        from £41.52
                                                                                                        from £41.52
                                                                                                        # 035
                                                                                                        MPN: 125330
                                                                                                        PIN
                                                                                                        from £270.12
                                                                                                        from £270.12
                                                                                                        # 036
                                                                                                        MPN: 11065676
                                                                                                        SEEGER RING
                                                                                                        from £0.47
                                                                                                        from £0.47
                                                                                                        This part replaces part number 11065675 - and 1 more. Click to view details
                                                                                                        # 037
                                                                                                        MPN: 12642721
                                                                                                        WASHER
                                                                                                        from £1.42
                                                                                                        from £1.42
                                                                                                        # 038
                                                                                                        MPN: 123674
                                                                                                        BATTERY POSITIVE CABLE
                                                                                                        Not for CAT. and until car no. 84951
                                                                                                        from £413.13
                                                                                                        from £413.13
                                                                                                        # 038
                                                                                                        MPN: 144474
                                                                                                        BATTERY POSITIVE CABLE
                                                                                                        For CAT. and starting from car no. 84952
                                                                                                        from £194.45
                                                                                                        from £194.45
                                                                                                        # 039
                                                                                                        MPN: 131162
                                                                                                        STARTER AND ALTERNATOR POSITIVE CABLE
                                                                                                        Not for CAT. and until car no. 84951
                                                                                                        from £180.41
                                                                                                        from £180.41
                                                                                                        # 039
                                                                                                        MPN: 144468
                                                                                                        STARTER AND ALTERNATOR POSITIVE CABLE
                                                                                                        For CAT. and starting from car no. 84952
                                                                                                        from £375.32
                                                                                                        from £375.32
                                                                                                        # 040
                                                                                                        MPN: 123676
                                                                                                        PLAIT FROM BATTERY TO SWITCH
                                                                                                        from £22.64
                                                                                                        from £22.64
                                                                                                        # 041
                                                                                                        MPN: 139607
                                                                                                        BATTERY SWITCH
                                                                                                        Supersession
                                                                                                        Supersession
                                                                                                        # 042
                                                                                                        MPN: 123678
                                                                                                        EARTHING PLAIT FOR BATT. DISCONN.
                                                                                                        from £27.52
                                                                                                        from £27.52
                                                                                                        # 043
                                                                                                        MPN: 16043121
                                                                                                        SCREW
                                                                                                        from £0.47
                                                                                                        from £0.47
                                                                                                        # 045
                                                                                                        MPN: 10615679
                                                                                                        TAB WASHER
                                                                                                        Supersession
                                                                                                        Supersession
                                                                                                        # 046
                                                                                                        MPN: 116591
                                                                                                        POS. CABLE FASTENING U BOLT
                                                                                                        from £20.30
                                                                                                        from £20.30
                                                                                                        # 047
                                                                                                        MPN: 12574011
                                                                                                        NUT
                                                                                                        from £0.47
                                                                                                        from £0.47
                                                                                                        # 048
                                                                                                        MPN: 12574011
                                                                                                        NUT SECURING BATT. DISCONN. SWITCH
                                                                                                        from £0.47
                                                                                                        from £0.47
                                                                                                        # 049
                                                                                                        MPN: 14497701
                                                                                                        WASHER
                                                                                                        from £0.53
                                                                                                        from £0.53
                                                                                                        # 050
                                                                                                        MPN: 14476078
                                                                                                        NUT
                                                                                                        # 052
                                                                                                        MPN: 10441490
                                                                                                        CABLE SUPPORT BRACKET
                                                                                                        from £0.51
                                                                                                        from £0.51
                                                                                                        # 053
                                                                                                        MPN: 126505
                                                                                                        PROTECTION
                                                                                                        from £12.08
                                                                                                        from £12.08
                                                                                                        # 054
                                                                                                        MPN: 121678
                                                                                                        WASHER
                                                                                                        from £6.73
                                                                                                        from £6.73
                                                                                                        # 055
                                                                                                        MPN: 10519624
                                                                                                        WASHER
                                                                                                        from £0.54
                                                                                                        from £0.54
                                                                                                        This part replaces part number 10519601 - and 3 more. Click to view details
                                                                                                        # 056
                                                                                                        MPN: 10615679
                                                                                                        WASHER
                                                                                                        Supersession
                                                                                                        Supersession
                                                                                                        # 057
                                                                                                        MPN: 16043121
                                                                                                        SCREW
                                                                                                        from £0.47
                                                                                                        from £0.47
                                                                                                        # 058
                                                                                                        MPN: 155073
                                                                                                        EARTHING PLAIT FOR ENGINE
                                                                                                        from £7.64
                                                                                                        from £7.64
                                                                                                        This part replaces part number 115668