ferrari enzo pedals brake pedal parts diagram

031 - Pedals Brake Pedal

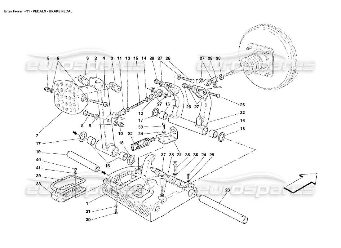
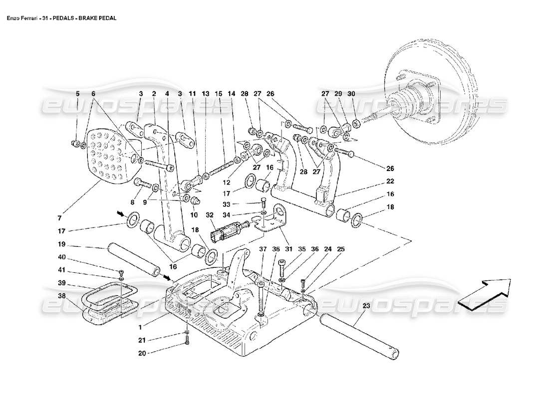
Ferrari Enzo Pedals Brake Pedal Parts Diagram

View the exploded parts diagram to find the part you are looking for
  • You can reposition the diagram by dragging it
  • You can zoom in and out of the diagram by scrolling, pinching, or using theandbuttons
  • You can reset the diagram using thebutton
View all the part pricing and availability information on the parts table to the rightbelow
  • You can click on a hotspot in the parts diagram to locate the part in the table
  • You can use the options filter, in the filter tab, to hide parts not relevant to your search
Switch between other part diagrams using theandbuttons, or use the diagram images below
We recommend viewing this page in landscape orientation for the best experience
Part Key
ST
Part in stock
PS
Available in a part set
SS
Part supersession in stock
PS
Available in a part set to order (subject to availability)
SO
Part available to order (subject to availability)
PK
Available in a part kit
                                                                                #
                                                                                Part number
                                                                                Description
                                                                                Price
                                                                                # 001
                                                                                MPN: 186050
                                                                                PEDAL SUPPORT
                                                                                from £1,182.57
                                                                                from £1,182.57
                                                                                # 002
                                                                                MPN: 186055
                                                                                BRAKE PEDAL
                                                                                from £424.70
                                                                                from £424.70
                                                                                # 003
                                                                                MPN: 187017
                                                                                SPACER
                                                                                from £12.81
                                                                                from £12.81
                                                                                # 004
                                                                                MPN: 14304824
                                                                                SCREW
                                                                                from £0.53
                                                                                from £0.53
                                                                                This part replaces part number 14304821
                                                                                # 005
                                                                                MPN: 14037211
                                                                                CAP NUT
                                                                                from £6.11
                                                                                from £6.11
                                                                                # 006
                                                                                MPN: 12639724
                                                                                WASHER
                                                                                from £0.54
                                                                                from £0.54
                                                                                This part replaces part number 12639725 - and 1 more. Click to view details
                                                                                # 007
                                                                                MPN: 186059
                                                                                BRAKE PEDAL PLATE
                                                                                from £264.25
                                                                                from £264.25
                                                                                # 008
                                                                                MPN: 187025
                                                                                SCREW
                                                                                from £8.97
                                                                                from £8.97
                                                                                # 009
                                                                                MPN: 10730314
                                                                                WASHER
                                                                                from £1.51
                                                                                from £1.51
                                                                                # 010
                                                                                MPN: 14037311
                                                                                CAP NUT
                                                                                from £10.25
                                                                                from £10.25
                                                                                # 011
                                                                                MPN: 145482
                                                                                BALL JOINT
                                                                                from £39.63
                                                                                from £39.63
                                                                                # 012
                                                                                MPN: 145483
                                                                                BALL JOINT
                                                                                from £66.05
                                                                                from £66.05
                                                                                # 013
                                                                                MPN: 16102914
                                                                                NUT
                                                                                from £1.77
                                                                                from £1.77
                                                                                This part replaces part number 16102911
                                                                                # 014
                                                                                MPN: 16102314
                                                                                NUT
                                                                                from £0.54
                                                                                from £0.54
                                                                                This part replaces part number 16102311 - and 1 more. Click to view details
                                                                                # 015
                                                                                MPN: 186064
                                                                                SPRAG
                                                                                from £70.25
                                                                                from £70.25
                                                                                # 016
                                                                                MPN: 103163
                                                                                SELF LUBRICATING BUSHING
                                                                                from £4.67
                                                                                from £4.67
                                                                                # 017
                                                                                MPN: 178340
                                                                                WASHER
                                                                                - Th. 1,5mm
                                                                                from £1.95
                                                                                from £1.95
                                                                                # 018
                                                                                MPN: 106083
                                                                                WASHER
                                                                                - Th. 1mm
                                                                                from £0.71
                                                                                from £0.71
                                                                                # 018
                                                                                MPN: 113833
                                                                                WASHER
                                                                                - Th. 1,1mm - As an alternative
                                                                                from £2.00
                                                                                from £2.00
                                                                                # 018
                                                                                MPN: 113834
                                                                                WASHER
                                                                                - Th. 1,2mm - As an alternative
                                                                                from £8.96
                                                                                from £8.96
                                                                                # 018
                                                                                MPN: 113835
                                                                                WASHER
                                                                                - Th. 1,3mm - As an alternative
                                                                                from £2.00
                                                                                from £2.00
                                                                                # 018
                                                                                MPN: 113836
                                                                                WASHER
                                                                                - Th. 1,4mm - As an alternative
                                                                                from £3.77
                                                                                from £3.77
                                                                                # 019
                                                                                MPN: 186056
                                                                                BRAKE PEDAL PIN
                                                                                from £198.19
                                                                                from £198.19
                                                                                # 020
                                                                                MPN: 10977724
                                                                                SCREW
                                                                                from £0.53
                                                                                from £0.53
                                                                                This part replaces part number 10977711
                                                                                # 021
                                                                                MPN: 11181574
                                                                                WASHER
                                                                                from £0.47
                                                                                from £0.47
                                                                                # 022
                                                                                MPN: 186061
                                                                                TRANSMISSION BRAKE PEDAL
                                                                                from £283.13
                                                                                from £283.13
                                                                                # 023
                                                                                MPN: 186062
                                                                                TRANSMISSION BRAKE PEDAL PIN
                                                                                from £89.00
                                                                                from £89.00
                                                                                # 024
                                                                                MPN: 10977724
                                                                                SCREW
                                                                                from £0.53
                                                                                from £0.53
                                                                                This part replaces part number 10977711
                                                                                # 025
                                                                                MPN: 11181574
                                                                                WASHER
                                                                                from £0.47
                                                                                from £0.47
                                                                                # 026
                                                                                MPN: 187030
                                                                                SCREW
                                                                                from £8.97
                                                                                from £8.97
                                                                                # 027
                                                                                MPN: 10730314
                                                                                WASHER
                                                                                from £1.51
                                                                                from £1.51
                                                                                # 028
                                                                                MPN: 14037311
                                                                                CAP NUT
                                                                                from £10.18
                                                                                from £10.18
                                                                                # 029
                                                                                MPN: 145483
                                                                                BALL JOINT
                                                                                from £66.05
                                                                                from £66.05
                                                                                # 030
                                                                                MPN: 16102314
                                                                                NUT
                                                                                from £0.54
                                                                                from £0.54
                                                                                This part replaces part number 16102311 - and 1 more. Click to view details
                                                                                # 031
                                                                                MPN: 186053
                                                                                SWITCH SUPPORT
                                                                                from £154.62
                                                                                from £154.62
                                                                                # 032
                                                                                MPN: 334064
                                                                                STOP LIGHT SWITCH
                                                                                from £16.98
                                                                                from £16.98
                                                                                This part replaces part number 183433
                                                                                # 033
                                                                                MPN: 10977724
                                                                                SCREW
                                                                                from £0.53
                                                                                from £0.53
                                                                                This part replaces part number 10977711
                                                                                # 034
                                                                                MPN: 11181574
                                                                                WASHER
                                                                                from £0.47
                                                                                from £0.47
                                                                                # 035
                                                                                MPN: 14814234
                                                                                SCREW
                                                                                from £1.03
                                                                                from £1.03
                                                                                # 036
                                                                                MPN: 11199874
                                                                                WASHER
                                                                                from £1.13
                                                                                from £1.13
                                                                                # 037
                                                                                MPN: 14815034
                                                                                SCREW
                                                                                from £1.02
                                                                                from £1.02
                                                                                # 038
                                                                                MPN: 186801
                                                                                BRAKE PEDAL RUBBER BOOT
                                                                                from £75.93
                                                                                from £75.93
                                                                                # 039
                                                                                MPN: 186799
                                                                                PLATE
                                                                                from £30.98
                                                                                from £30.98
                                                                                # 040
                                                                                MPN: 13271872
                                                                                SCREW
                                                                                from £0.47
                                                                                from £0.47
                                                                                # 041
                                                                                MPN: 12601074
                                                                                WASHER
                                                                                from £0.47
                                                                                from £0.47
                                                                                This part replaces part number 12601070 which we have in stock