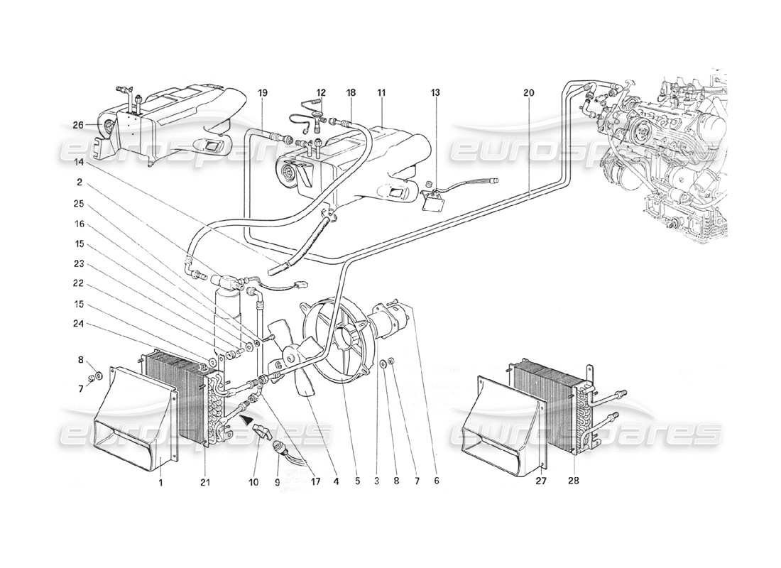
ferrari 208 turbo (1989) turbo - charging system parts diagram

010 - Turbo - Charging System

Ferrari 208 Turbo (1989) Turbo - Charging System Parts Diagram

View the exploded parts diagram to find the part you are looking for
  • You can reposition the diagram by dragging it
  • You can zoom in and out of the diagram by scrolling, pinching, or using theandbuttons
  • You can reset the diagram using thebutton
View all the part pricing and availability information on the parts table to the rightbelow
  • You can click on a hotspot in the parts diagram to locate the part in the table
  • You can use the options filter, in the filter tab, to hide parts not relevant to your search
Switch between other part diagrams using theandbuttons, or use the diagram images below
We recommend viewing this page in landscape orientation for the best experience
Part Key
ST
Part in stock
PS
Available in a part set
SS
Part supersession in stock
PS
Available in a part set to order (subject to availability)
SO
Part available to order (subject to availability)
PK
Available in a part kit
                                                                                #
                                                                                Part number
                                                                                Description
                                                                                Price
                                                                                # 001
                                                                                MPN: 127442
                                                                                Turbocharger
                                                                                from £1,876.84
                                                                                from £1,876.84
                                                                                # 002
                                                                                MPN: 127466
                                                                                SUPPORT
                                                                                from £269.20
                                                                                from £269.20
                                                                                # 003
                                                                                MPN: 127527
                                                                                OIL DRAIN PIPE
                                                                                from £205.81
                                                                                from £205.81
                                                                                # 004
                                                                                MPN: 144494
                                                                                GASKET
                                                                                from £0.53
                                                                                from £0.53
                                                                                This part replaces part number 122833
                                                                                # 005
                                                                                MPN: 10902221
                                                                                SCREW
                                                                                from £0.59
                                                                                from £0.59
                                                                                # 006
                                                                                MPN: 106850
                                                                                WASHER
                                                                                Supersession
                                                                                Supersession
                                                                                This part replaces part number 10516473 - and 1 more. Click to view details
                                                                                # 007
                                                                                MPN: 12639701
                                                                                WASHER
                                                                                Supersession
                                                                                Supersession
                                                                                This part replaces part number 12639704
                                                                                # 008
                                                                                MPN: 117665
                                                                                SLEEVE
                                                                                from £7.54
                                                                                from £7.54
                                                                                # 009
                                                                                MPN: 13000490
                                                                                CLAMP
                                                                                from £0.53
                                                                                from £0.53
                                                                                This part replaces part number 10169090 - and 3 more. Click to view details
                                                                                # 010
                                                                                MPN: 123385
                                                                                METALLIC RING
                                                                                from £146.27
                                                                                from £146.27
                                                                                # 011
                                                                                MPN: 122946
                                                                                UNION
                                                                                from £86.62
                                                                                from £86.62
                                                                                # 012
                                                                                MPN: 10298360
                                                                                GASKET
                                                                                from £0.53
                                                                                from £0.53
                                                                                # 013
                                                                                MPN: 127196
                                                                                UNION
                                                                                # 014
                                                                                MPN: 126826
                                                                                PIPE
                                                                                from £10.99
                                                                                from £10.99
                                                                                # 015
                                                                                MPN: 13000190
                                                                                CLAMP
                                                                                from £0.53
                                                                                from £0.53
                                                                                This part replaces part number 12178990 - and 1 more. Click to view details
                                                                                # 016
                                                                                MPN: 105550
                                                                                CLAMP
                                                                                from £1.28
                                                                                from £1.28
                                                                                # 017
                                                                                MPN: 129529
                                                                                INLET WATER PIPE
                                                                                from £136.34
                                                                                from £136.34
                                                                                # 018
                                                                                MPN: 129532
                                                                                OUTLET WATER PIPE
                                                                                from £116.98
                                                                                from £116.98
                                                                                # 019
                                                                                MPN: 125121
                                                                                UNION
                                                                                from £36.24
                                                                                from £36.24
                                                                                # 020
                                                                                MPN: 10298460
                                                                                GASKET
                                                                                from £0.47
                                                                                from £0.47
                                                                                This part replaces part number 93353
                                                                                # 021
                                                                                MPN: 106705
                                                                                PIPE
                                                                                from £8.45
                                                                                from £8.45
                                                                                # 022
                                                                                MPN: 13000190
                                                                                CLAMP
                                                                                from £0.53
                                                                                from £0.53
                                                                                This part replaces part number 12178990 - and 1 more. Click to view details
                                                                                # 023
                                                                                MPN: 129534
                                                                                DELIVERY PIPE
                                                                                from £171.23
                                                                                from £171.23
                                                                                # 024
                                                                                MPN: 129197
                                                                                SLEEVE
                                                                                from £52.50
                                                                                from £52.50
                                                                                # 025
                                                                                MPN: 12177290
                                                                                CLAMP
                                                                                from £6.21
                                                                                from £6.21
                                                                                # 026
                                                                                MPN: 129198
                                                                                SLEEVE
                                                                                from £148.19
                                                                                from £148.19
                                                                                # 027
                                                                                MPN: 296782
                                                                                CLAMP
                                                                                from £5.19
                                                                                from £5.19
                                                                                This part replaces part number 12174090
                                                                                # 028
                                                                                MPN: 129538
                                                                                SLEEVE
                                                                                # 029
                                                                                MPN: 12177190
                                                                                CLAMP
                                                                                from £3.90
                                                                                from £3.90
                                                                                # 030
                                                                                MPN: 129550
                                                                                SLEEVE
                                                                                from £152.67
                                                                                from £152.67
                                                                                # 031
                                                                                MPN: 12173090
                                                                                CLAMP
                                                                                Supersession
                                                                                Supersession
                                                                                This part replaces part number 105672
                                                                                # 032
                                                                                MPN: 13000490
                                                                                CLAMP
                                                                                from £0.53
                                                                                from £0.53
                                                                                This part replaces part number 10169090 - and 3 more. Click to view details
                                                                                # 033
                                                                                MPN: 129579
                                                                                PIPE
                                                                                from £7.54
                                                                                from £7.54
                                                                                # 034
                                                                                MPN: 13000490
                                                                                CLAMP
                                                                                from £0.53
                                                                                from £0.53
                                                                                This part replaces part number 10169090 - and 3 more. Click to view details
                                                                                # 035
                                                                                MPN: 129564
                                                                                AIR RECYCLING VALVE
                                                                                from £526.68
                                                                                from £526.68
                                                                                # 036
                                                                                MPN: 118901
                                                                                PIPE
                                                                                from £3.39
                                                                                from £3.39
                                                                                # 037
                                                                                MPN: 127542
                                                                                OIL PIPE
                                                                                from £129.31
                                                                                from £129.31
                                                                                # 038
                                                                                MPN: 117666
                                                                                UNION
                                                                                from £14.01
                                                                                from £14.01
                                                                                # 039
                                                                                MPN: 131307
                                                                                UNION
                                                                                from £92.88
                                                                                from £92.88