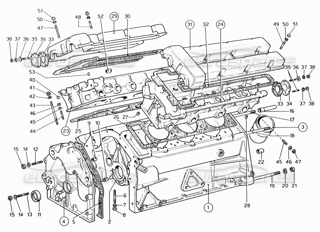
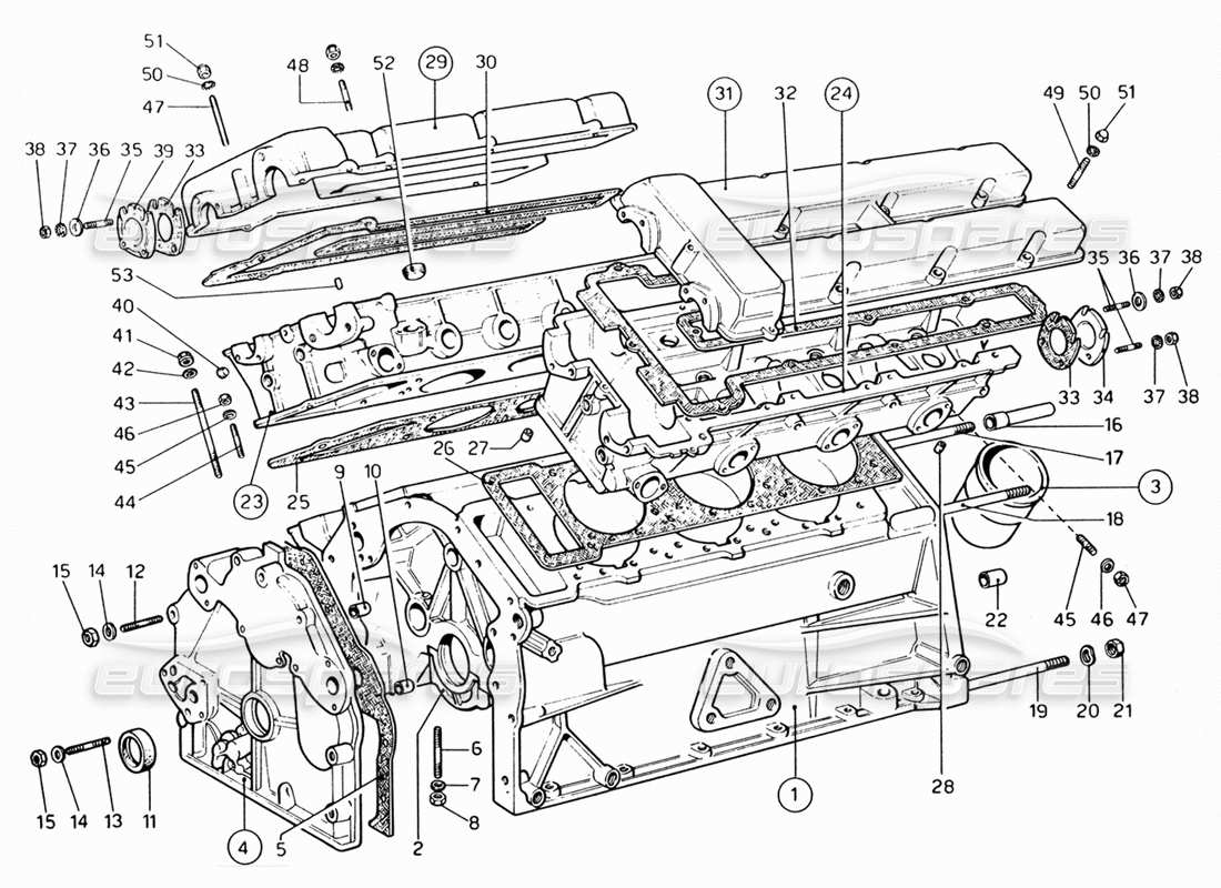
ferrari 206 gt dino (1969) crankcase and cylinder heads parts diagram

001 - crankcase and cylinder heads

Ferrari 206 GT Dino (1969) Crankcase and Cylinder Heads Parts Diagram

View the exploded parts diagram to find the part you are looking for
  • You can reposition the diagram by dragging it
  • You can zoom in and out of the diagram by scrolling, pinching, or using theandbuttons
  • You can reset the diagram using thebutton
View all the part pricing and availability information on the parts table to the rightbelow
  • You can click on a hotspot in the parts diagram to locate the part in the table
  • You can use the options filter, in the filter tab, to hide parts not relevant to your search
Switch between other part diagrams using theandbuttons, or use the diagram images below
We recommend viewing this page in landscape orientation for the best experience
Part Key
ST
Part in stock
PS
Available in a part set
SS
Part supersession in stock
PS
Available in a part set to order (subject to availability)
SO
Part available to order (subject to availability)
PK
Available in a part kit
                                          #
                                          Part number
                                          Description
                                          Price
                                          # 000
                                          MPN: 95100119
                                          GASKET SET
                                          from £288.75
                                          from £288.75
                                          # 001
                                          MPN: 9100572
                                          CYLINDER BLOCK WITH STUDS & LINERS
                                          from £13,530.71
                                          from £13,530.71
                                          # 001
                                          MPN: FCCG002
                                          CAM COVER GASKET SET
                                          Set of cam cover gaskets
                                          from £61.95
                                          from £61.95
                                          # 003
                                          MPN: 4146608
                                          CYLINDER LINER
                                          from £466.51
                                          from £466.51
                                          # 004
                                          MPN: 9220198
                                          TIMING COVER
                                          # 005
                                          MPN: 4146557
                                          GASKET OR SEAL
                                          FIAT
                                          from £36.70
                                          from £36.70
                                          # 006
                                          MPN: 4158749
                                          STUD
                                          FIAT
                                          This part replaces part number REO6
                                          # 007
                                          MPN: 4146545
                                          WASHER
                                          FIAT
                                          from £7.12
                                          from £7.12
                                          # 008
                                          MPN: 4146542
                                          NUT
                                          FIAT
                                          Supersession
                                          Supersession
                                          # 009
                                          MPN: 4146561
                                          CENTERING DOWEL
                                          FIAT
                                          Supersession
                                          Supersession
                                          # 010
                                          MPN: 102704
                                          CENTERING DOWEL
                                          FIAT
                                          from £1.90
                                          from £1.90
                                          This part replaces part number 500805
                                          # 011
                                          MPN: 4147222
                                          GASKET
                                          FIAT
                                          Supersession
                                          Supersession
                                          # 012
                                          MPN: 13543821
                                          THREADED STUD
                                          FIAT
                                          from £1.27
                                          from £1.27
                                          This part replaces part number 210x1,25
                                          # 013
                                          MPN: 13543921
                                          THREADED STUD
                                          FIAT
                                          from £0.71
                                          from £0.71
                                          # 014
                                          MPN: 11198077
                                          WASHER
                                          # 015
                                          MPN: 16100814
                                          NUT
                                          from £0.71
                                          from £0.71
                                          This part replaces part number 16100811 - and 1 more. Click to view details
                                          # 016
                                          MPN: 100586
                                          CENTERING DOWEL
                                          # 017
                                          MPN: 95262
                                          THREADED STUD
                                          from £2.99
                                          from £2.99
                                          This part replaces part number 212x1,25
                                          # 018
                                          MPN: 95263
                                          THREADED STUD
                                          # 019
                                          MPN: 95279
                                          THREADED STUD
                                          # 020
                                          MPN: 11198673
                                          WASHER
                                          OEB
                                          from £0.96
                                          from £0.96
                                          This part replaces part number 11198671
                                          # 021
                                          MPN: 112x1,25
                                          NUT
                                          US N/70
                                          # 022
                                          MPN: 95267
                                          CENTERING DOWEL
                                          # 023
                                          MPN: 4195775
                                          CYLINDER HEAD COMPLETE
                                          FIAT
                                          # 023
                                          MPN: 4195776
                                          CYLINDER HEAD RH
                                          FIAT
                                          from £1,569.75
                                          from £1,569.75
                                          # 024
                                          MPN: 4195778
                                          CYLINDER HEAD COMPLETE
                                          FIAT
                                          # 024
                                          MPN: 4195779
                                          CYLINDER HEAD LH
                                          FIAT
                                          from £7,344.75
                                          from £7,344.75
                                          # 025
                                          MPN: 4154053
                                          GASKET OR SEAL
                                          FIAT
                                          from £101.27
                                          from £101.27
                                          # 026
                                          MPN: 4154054
                                          GASKET OR SEAL
                                          FIAT
                                          from £350.40
                                          from £350.40
                                          This part replaces part number 4146616 - and 1 more. Click to view details
                                          # 027
                                          MPN: 4146614
                                          DOWEL
                                          FIAT
                                          from £28.56
                                          from £28.56
                                          # 028
                                          MPN: 4146615
                                          DOWEL
                                          FIAT
                                          from £10.52
                                          from £10.52
                                          # 030
                                          MPN: 4146624
                                          GASKET OR SEAL
                                          FIAT
                                          from £43.66
                                          from £43.66
                                          # 032
                                          MPN: 4146626
                                          GASKET OR SEAL
                                          FIAT
                                          from £37.00
                                          from £37.00
                                          # 033
                                          MPN: 147633
                                          GASKET
                                          from £3.03
                                          from £3.03
                                          This part replaces part number 102796
                                          # 034
                                          MPN: 4146627
                                          REAR COVER
                                          from £78.99
                                          from £78.99
                                          # 035
                                          MPN: 13541124
                                          THREADED STUD
                                          FIAT
                                          from £12.24
                                          from £12.24
                                          This part replaces part number 13541121
                                          # 036
                                          MPN: 12643701
                                          WASHER
                                          FIAT
                                          Supersession
                                          Supersession
                                          This part replaces part number 12643704 - and 1 more. Click to view details
                                          # 037
                                          MPN: 11197777
                                          WASHER
                                          FIAT
                                          from £0.49
                                          from £0.49
                                          # 038
                                          MPN: 15896211
                                          NUT
                                          FIAT
                                          Supersession
                                          Supersession
                                          This part replaces part number 15896210 which we have in stock
                                          # 039
                                          MPN: 4146625
                                          FRONT COVER
                                          # 040
                                          MPN: 10269550
                                          THREADED PLUG
                                          from £1.66
                                          from £1.66
                                          # 041
                                          MPN: 4146819
                                          NUT
                                          FIAT
                                          # 042
                                          MPN: 4146618
                                          WASHER
                                          FIAT
                                          from £7.15
                                          from £7.15
                                          # 043
                                          MPN: 4146617
                                          STUD
                                          FIAT
                                          from £36.46
                                          from £36.46
                                          # 044
                                          MPN: 12354524
                                          THREADED STUD
                                          from £17.94
                                          from £17.94
                                          This part replaces part number 12354521
                                          # 045
                                          MPN: 11198077
                                          WASHER
                                          # 046
                                          MPN: 16100814
                                          NUT
                                          from £0.71
                                          from £0.71
                                          This part replaces part number 16100811 - and 1 more. Click to view details
                                          # 047
                                          MPN: 13542021
                                          THREADED STUD
                                          FIAT
                                          Supersession
                                          Supersession
                                          # 048
                                          MPN: 4161959
                                          THREADED STUD
                                          FIAT
                                          Supersession
                                          Supersession
                                          # 049
                                          MPN: 95920110
                                          THREADED STUD
                                          FIAT
                                          from £1.97
                                          from £1.97
                                          # 050
                                          MPN: 11197777
                                          WASHER
                                          FIAT
                                          from £0.49
                                          from £0.49
                                          # 051
                                          MPN: 101239
                                          CAP NUT
                                          from £0.66
                                          from £0.66
                                          This part replaces part number 92310
                                          # 052
                                          MPN: 163528
                                          THREADED PLUG
                                          from £2.25
                                          from £2.25
                                          This part replaces part number 10268450 - and 1 more. Click to view details
                                          # 053
                                          MPN: 4147337
                                          DOWEL
                                          FIAT
                                          from £5.15
                                          from £5.15